FIRST INTERNATIONAL COMPUTER, INC.
CL31-A
| Device Type | Mainboard |
| Processor | Celeron |
| Processor Speed | 366/400/433MHz |
| Chip Set | Intel 440LX |
| Audio Chip Set | Yamaha |
| Maximum Onboard Memory | 256MB (EDO & SDRAM supported) |
| Maximum Audio Memory | Unidentified |
| Cache | 0/128KB (located on the Celeron CPU) |
| BIOS | Unidentified |
| Dimensions | Unidentified |
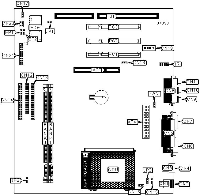
| I/O Options | 16-bit ISA slot, 32-bit PCI slots (3), green PC connector, floppy drive interface, game/MIDI port, IDE interfaces (2), parallel port, PS/2 mouse port, PS/2 keyboard port, serial ports (2), IR connector, USB ports (2), ATX power connector, AGP slot, line in, line out, microphone in, audio in - CD-ROM, Wake-on-LAN connector, SB-Link connector, Chassis intrusion connector |

CONNECTIONS |
|||
| Purpose | Location |
Purpose | Location |
| AGP slot | AGP |
Chassis fan power 1 | CN16 |
| ATX power connector | ATX |
Chassis fan power 2 | CN17 |
| PS/2 mouse port | CN1 | Wake-on-LAN connector | CN18 |
| PS/2 keyboard port | CN2 | Audio in - CD-ROM | CN19 |
| USB port 2 | CN3 | SB-Link connector | CN20 |
| USB port 1 | CN4 | IDE interface LED | CN21/Pins 1 & 13 |
| Parallel port | CN5 | Speaker | CN21/Pins 4 & 7 |
| Serial port 1 | CN6 | Reset switch | CN21/Pins 8 & 9 |
| Serial port 2 | CN7 | Green PC connector | CN21/Pins 11 & 12 |
| Game/MIDI port | CN8 | Power LED | CN21/Pins 16 - 18 |
| Line out | CN9 | Power switch | CN21/Pins 19 & 20 |
| Line in | CN10 | Message LED | CN21/Pins 23 & 24 |
| Microphone in | CN11 | CPU fan power | FAN |
| Floppy drive interface | CN12 | IR connector | IR |
| IDE interface 2 | CN13 | 16-bit ISA slot | IS1 |
| IDE interface 1 | CN14 | 32-bit PCI slots | PC1 - PC3 |
| Chassis intrusion connector | CN15 | ||
USER CONFIGURABLE SETTINGS |
|||
Function |
Label |
Position |
|
» |
Password normal operation | JP1 | Open |
| Password clear | JP1 | Closed | |
| » | CMOS memory normal operation | JP2 | Pins 1 & 2 closed |
|
CMOS memory clear | JP2 | Pins 2 & 3 closed |
| » | Keyboard power on disabled | JP3 | Pins 1 & 2 closed |
| Keyboard power on enabled | JP3 | Pins 2 & 3 closed | |
DIMM CONFIGURATION |
||
Size |
Bank 0 |
Bank 1 |
8MB |
(1) 1M x 64 |
None |
16MB |
(1) 1M x 64 |
(1) 1M x 64 |
16MB |
(1) 2M x 64 |
None |
24MB |
(1) 2M x 64 |
(1) 1M x 64 |
32MB |
(1) 2M x 64 |
(1) 2M x 64 |
32MB |
(1) 4M x 64 |
None |
40MB |
(1) 4M x 64 |
(1) 1M x 64 |
48MB |
(1) 4M x 64 |
(1) 2M x 64 |
64MB |
(1) 4M x 64 |
(1) 4M x 64 |
64MB |
(1) 8M x 64 |
None |
72MB |
(1) 8M x 64 |
(1) 1M x 64 |
80MB |
(1) 8M x 64 |
(1) 2M x 64 |
96MB |
(1) 8M x 64 |
(1) 4M x 64 |
128MB |
(1) 8M x 64 |
(1) 8M x 64 |
128MB |
(1) 16M x 64 |
None |
136MB |
(1) 16M x 64 |
(1) 1M x 64 |
144MB |
(1) 16M x 64 |
(1) 2M x 64 |
160MB |
(1) 16M x 64 |
(1) 4M x 64 |
192MB |
(1) 16M x 64 |
(1) 8M x 64 |
256MB |
(1) 16M x 64 |
(1) 16M x 64 |
256MB |
(1) 32M x 64 |
None |
| Note: Board supports EDO & SDRAM memory. | ||
CACHE CONFIGURATION |
| Note: 128KB cache is located on the Celeron 300A and greater CPUs. |
FLASH BIOS SELECTION |
||
Setting |
EP1 | EP2 |
Intel 28F001 |
Pins 2 & 3 closed | Pins 1 & 2 closed |
MXIC 28F1000 |
Pins 2 & 3 closed | Pins 1 & 2 closed |
SST 29EE010 |
Pins 1 & 2 closed | Pins 1 & 2 closed |
AMTEL AT29C010 |
Pins 1 & 2 closed | Pins 1 & 2 closed |
MXIC 28F2000 |
Pins 2 & 3 closed | Pins 2 & 3 closed |
SST 29EE020 |
Pins 1 & 2 closed | Pins 2 & 3 closed |
AMTEL AT29C020 |
Pins 1 & 2 closed | Pins 2 & 3 closed |
AMD 28F002 |
Pins 1 & 2 closed | Pins 2 & 3 closed |