SUPERPOWER COMPUTER CO., LTD.
SP-6XW, SP-6XW-D, SP-6XW-E
| Device Type | Mainboard |
| Processor | Celeron/Pentium II/Pentium III |
| Processor Speed | 233/266/300/333/350/366/400/433/450/500/ 533/550/600/650/667/700/733MHz |
| Chip Set | Intel 810 |
| Video Chip Set | Unidentified |
| Audio Chip Set | Unidentified |
| Maximum Onboard Memory | 512MB (SDRAM supported) |
| Maximum Video Memory | 4MB (6XW-D & 6XW-E), Unidentified (6XW) |
| Maximum Audio Memory | Unidentified |
| Cache | 0/128/256/512KB (located on the CPU) |
| BIOS | Award |
| Dimensions | 305mm x 190mm |
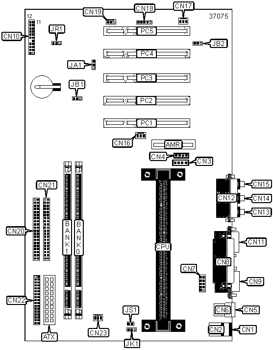
| I/O Options | 32-bit PCI slots (5), Audio/modem riser slot, ATX power connector, audio in - CD-ROMs (2), floppy drive interface, game/MIDI port, green PC switch, IDE interfaces (2), IR connector, line in, line out, microphone in, parallel port, PS/2 keyboard port, PS/2 mouse port, serial interface, serial port, USB ports (2), VGA port, Wake-on-LAN connector |

CONNECTIONS |
|||
Purpose |
Location |
Purpose |
Location |
| Audio/modem riser slot | AMR | PS-ON | CN10/Pins 11 & 12 |
| ATX power connector | ATX | Speaker | CN10/Pins 19 - 22 |
| PS/2 keyboard port | CN1 | VGA port | CN11 |
| PS/2 mouse port | CN2 | Game/MIDI port | CN12 |
| Audio in - CD-ROM | CN3 | Line out | CN13 |
| Audio in - CD-ROM | CN4 | Line in | CN14 |
| USB port 1 | CN5 | Microphone in | CN15 |
| USB port 2 | CN6 | System fan power | CN16 |
| Serial interface | CN7 | System fan power | CN17 |
| Parallel port | CN8 | IR connector | CN18 |
| Serial port 1 | CN9 | Wake-on-LAN connector | CN19 |
| Power LED | CN10/Pins 1 - 3 | IDE interface 1 | CN20 |
| Keylock | CN10/Pins 4 & 5 | IDE interface 2 | CN21 |
| IDE interface LED | CN10/Pins 6 & 17 | Floppy drive interface | CN22 |
| Green PC switch | CN10/Pins 7 & 16 | CPU fan power | CN23 |
| Reset switch | CN10/Pins 8 & 15 | 32-bit PCI slots | PC1 - PC5 |
| Green PC LED | CN10/Pins 10 & 13 | ||
USER CONFIGURABLE SETTINGS |
|||
Function |
Label |
Position |
|
| Onboard audio enabled | JA1 | Pins 1 & 2 closed | |
| Onboard audio disabled | JA1 | Pins 2 & 3 closed | |
» |
CMOS memory normal operation | JB1 | Pins 1 & 2 closed |
| CMOS memory clear | JB1 | Pins 2 & 3 closed | |
| » | I/O keyboard password normal operation | JB2 | Pins 1 & 2 closed |
| I/O keyboard password clear | JB2 | Pins 2 & 3 closed | |
| » | Power-on by keyboard disabled | JK1 | Pins 1 & 2 closed |
| Power-on by keyboard enabled | JK1 | Pins 2 & 3 closed | |
| » | Random Number Generator disabled | JR1 | Pins 1 & 2 closed |
| Random Number Generator enabled | JR1 | Pins 2 & 3 closed | |
| » | CPU host bus frequency detected automatically | JS1 | Closed |
| CPU host bus frequency is 100MHz | JS1 | Open | |
DIMM CONFIGURATION |
||
Size |
Bank 0 |
Bank 1 |
8MB |
(1) 1M x 64 |
None |
16MB |
(1) 1M x 64 |
(1) 1M x 64 |
16MB |
(1) 2M x 64 |
None |
24MB |
(1) 2M x 64 |
(1) 1M x 64 |
32MB |
(1) 2M x 64 |
(1) 2M x 64 |
32MB |
(1) 4M x 64 |
None |
40MB |
(1) 4M x 64 |
(1) 1M x 64 |
48MB |
(1) 4M x 64 |
(1) 2M x 64 |
64MB |
(1) 4M x 64 |
(1) 4M x 64 |
64MB |
(1) 8M x 64 |
None |
72MB |
(1) 8M x 64 |
(1) 1M x 64 |
80MB |
(1) 8M x 64 |
(1) 2M x 64 |
96MB |
(1) 8M x 64 |
(1) 4M x 64 |
128MB |
(1) 8M x 64 |
(1) 8M x 64 |
128MB |
(1) 16M x 64 |
None |
136MB |
(1) 16M x 64 |
(1) 1M x 64 |
144MB |
(1) 16M x 64 |
(1) 2M x 64 |
160MB |
(1) 16M x 64 |
(1) 4M x 64 |
192MB |
(1) 16M x 64 |
(1) 8M x 64 |
256MB |
(1) 16M x 64 |
(1) 16M x 64 |
256MB |
(1) 32M x 64 |
None |
264MB |
(1) 32M x 64 |
(1) 1M x 64 |
272MB |
(1) 32M x 64 |
(1) 2M x 64 |
288MB |
(1) 32M x 64 |
(1) 4M x 64 |
320MB |
(1) 32M x 64 |
(1) 8M x 64 |
384MB |
(1) 32M x 64 |
(1) 16M x 64 |
512MB |
(1) 32M x 64 |
(1) 32M x 64 |
| Note: Board
supports SDRAM memory. Note: PC100 modules must be used. |
||
CACHE CONFIGURATION |
| Note: 128KB cache is located on Celeron 300A and greater CPUs. 256/512KB cache is located on the Pentium II and Pentium III CPUs. |