NMC INTERNATIONAL
NMC 6BBX
| Device Type | Mainboard |
| Processor | Pentium II |
| Processor Speed | 233/266/300/333/350/400/450/500MHz |
| Chip Set | Intel 440BX |
| Maximum Onboard Memory | 768MB (EDO & SDRAM supported) |
| Cache | 256/512KB (located on the Pentium II CPU) |
| BIOS | Award |
| Dimensions | 305mm x 220mm |
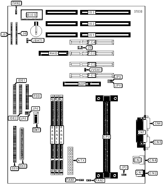
| I/O Options | 16-bit ISA slots (3), 32-bit PCI slots (4), floppy drive interface, IDE interfaces (2), parallel port, USB ports (2), PS/2 mouse port, PS/2 keyboard port, serial ports (2), SCSI connector, Ultra Wide SCSI connector, IR connector, ATX power connector, AGP slot, RAID slot, USB Ports (2) |

CONNECTIONS |
|||
| Purpose | Location |
Purpose | Location |
| AGP slot | AGP |
16-bit ISA slots | IS1 - IS3 |
| ATX power connector | ATX |
IDE interface LED | J1/Pins 1 - 4 |
| PS/2 mouse port | CN1 | IR connector | J1/Pins 6 - 10 |
| PS/2 keyboard port | CN2 | Power switch | J1/Pins 12 & 13 |
| USB port 1 | CN3 | Green PC connector | J1/Pins 14 & 15 |
| USB port 2 | CN4 | Speaker | J2/Pins 1 - 4 |
| Serial port 1 | CN5 | Reset switch | J2/Pins 5 & 6 |
| Serial port 2 | CN6 | Power LED & keylock | J2/Pins 8 - 12 |
| Parallel port | CN7 | Turbo LED | J2/Pins 14 & 15 |
| CPU fan power | FAN1 | SB-Link connector | J8 |
| Chassis fan power | FAN2 | 32-bit PCI slots | PC1 - PC4 |
| Power fan | FAN3 | SCSI connector | S50 |
| Floppy drive interface | FDD | Ultra Wide SCSI connector | S68 |
| IDE interface 1 | IDE1 | RAID slot | RAID |
| IDE interface 2 | IDE2 | ||
USER CONFIGURABLE SETTINGS |
|||
Function |
Label |
Position |
|
» |
CMOS memory normal operation | JBAT1 |
Pins 1 & 2 closed |
| CMOS memory clear | JBAT1 |
Pins 2 & 3 closed |
|
» |
Power on keyboard disabled | JP3 | Pins 1 & 2 closed |
| Power on keyboard enabled | JP3 | Pins 2 & 3 closed | |
| » | VGA card Normal selected | JVGA1 | Closed |
| VGA card Special selected | JVGA1 | Open | |
| DIMM CONFIGURATION | |||
Size |
Bank 0 |
Bank 1 |
Bank 2 |
8MB |
(1) 1M x 64 |
None |
None |
16MB |
(1) 1M x 64 |
(1) 1M x 64 |
None |
16MB |
(1) 2M x 64 |
None |
None |
24MB |
(1) 1M x 64 |
(1) 1M x 64 |
(1) 1M x 64 |
32MB |
(1) 2M x 64 |
(1) 2M x 64 |
None |
32MB |
(1) 4M x 64 |
None |
None |
32MB |
(1) 2M x 64 |
(1) 1M x 64 |
(1) 1M x 64 |
48MB |
(1) 2M x 64 |
(1) 2M x 64 |
(1) 2M x 64 |
48MB |
(1) 4M x 64 |
(1) 1M x 64 |
(1) 1M x 64 |
64MB |
(1) 4M x 64 |
(1) 4M x 64 |
None |
64MB |
(1) 8M x 64 |
None |
None |
64MB |
(1) 4M x 64 |
(1) 2M x 64 |
(1) 2M x 64 |
80MB |
(1) 8M x 64 |
(1) 1M x 64 |
(1) 1M x 64 |
96MB |
(1) 4M x 64 |
(1) 4M x 64 |
(1) 4M x 64 |
96MB |
(1) 8M x 64 |
(1) 2M x 64 |
(1) 2M x 64 |
128MB |
(1) 8M x 64 |
(1) 8M x 64 |
None |
128MB |
(1) 16M x 64 |
None |
None |
128MB |
(1) 8M x 64 |
(1) 4M x 64 |
(1) 4M x 64 |
144MB |
(1) 16M x 64 |
(1) 1M x 64 |
(1) 1M x 64 |
160MB |
(1) 16M x 64 |
(1) 2M x 64 |
(1) 2M x 64 |
192MB |
(1) 8M x 64 |
(1) 8M x 64 |
(1) 8M x 64 |
192MB |
(1) 16M x 64 |
(1) 4M x 64 |
(1) 4M x 64 |
256MB |
(1) 16M x 64 |
(1) 16M x 64 |
None |
256MB |
(1) 32M x 64 |
None |
None |
256MB |
(1) 16M x 64 |
(1) 8M x 64 |
(1) 8M x 64 |
272MB |
(1) 32M x 64 |
(1) 1M x 64 |
(1) 1M x 64 |
288MB |
(1) 32M x 64 |
(1) 2M x 64 |
(1) 2M x 64 |
320MB |
(1) 32M x 64 |
(1) 4M x 64 |
(1) 4M x 64 |
384MB |
(1) 16M x 64 |
(1) 16M x 64 |
(1) 16M x 64 |
384MB |
(1) 32M x 64 |
(1) 8M x 64 |
(1) 8M x 64 |
512MB |
(1) 32M x 64 |
(1) 32M x 64 |
None |
512MB |
(1) 32M x 64 |
(1) 16M x 64 |
(1) 16M x 64 |
768MB |
(1) 32M x 64 |
(1) 32M x 64 |
(1) 32M x 64 |
| Note: Board supports EDO & SDRAM memory. | |||
| CPU CLOCK SETTING | |||
Function |
JP5 | JP6 | |
| » | DIP SW1 selected | Pins 2 & 3 closed | Pins 2 & 3 closed |
| BIOS setting selected | Pins 1 & 2 closed | Pins 1 & 2 closed | |
| USB PORT SELECTION | |||
Function |
JP8 | JP9 | |
| » | Redirect USB port to USB connector | Pins 1 & 2 closed | Pins 1 & 2 closed |
| Redirect USB port 1 to AGP connector | Pins 2 & 3 closed | Pins 2 & 3 closed | |
CACHE CONFIGURATION |
| Note: 256KB/512KB cache is located on the Pentium II CPUs. |
CPU SPEED SELECTION |
||||||||
CPU speed |
Clock speed |
Multiplier |
SW1/1 | SW1/2 | SW1/3 | SW1/4 | SW1/5 | SW1/6 |
233MHz |
66MHz |
3.5x |
On | Off | Off | On | Off | On |
266MHz |
66MHz |
4x |
Off | On | On | On | Off | On |
300MHz |
66MHz |
4.5x |
Off | On | Off | On | Off | On |
333MHz |
66MHz |
5x |
Off | Off | On | On | Off | On |
| 350MHz | 100MHz | 3.5x |
On | Off | Off | On | Off | On |
| 400MHz | 100MHz | 4x |
Off | On | On | On | Off | On |
| 450MHz | 100MHz | 4.5x |
Off | On | Off | On | Off | On |
| 500MHz | 100MHz | 5x |
Off | Off | On | On | Off | On |