BCM ADVANCED RESEARCH, INC.
GT370LX
| Device Type | Mainboard |
| Processor | Celeron |
| Processor Speed | 300/333/366/400/433/466/500MHz |
| Chip Set | Intel 440LX |
| Audio Chip Set | Creative Labs |
| Maximum Onboard Memory | 384MB (SDRAM supported) |
| Maximum Audio Memory | Unidentified |
| Cache | 0/128KB |
| BIOS | Award |
| Dimensions | 244mm x 211mm |
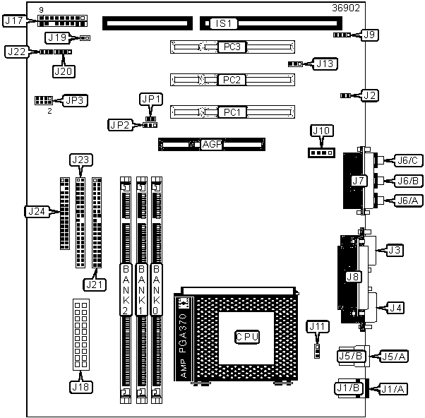
| I/O Options | 16-bit ISA slot, 32-bit PCI slots (3), AGP slot, ATX power connector, audio in - CD-ROM, floppy drive interface, game/MIDI port, green PC connector, IDE interfaces (2), IR connector, line in, line out, microphone in, modem connector, parallel port, PS/2 keyboard port, PS/2 mouse port, serial ports (2), S/PDIF connector, USB ports (2), Wake-on-LAN connector, Wake-on-modem connector |

CONNECTIONS |
|||
Purpose |
Location |
Purpose |
Location |
| AGP slot | AGP | Wake-on-LAN connector | J13 |
| PS/2 keyboard port | J1/A | IDE interface LED | J17/Pins 1 & 2 |
| PS/2 mouse port | J1/B | Reset switch | J17/Pins 3 & 4 |
| S/PDIF connector | J2 | IR connector | J17/Pins 5 - 8 |
| Serial port 2 | J3 | Power LED | J17/Pins 10 & 11 |
| Serial port 1 | J4 | Power switch | J17/Pins 12 & 13 |
| USB port 1 | J5/A | Green PC switch | J17/Pins 14 & 15 |
| USB port 2 | J5/B | ATX power connector | J18 |
| Line out | J6/A | Wake-on-modem connector | J19 |
| Line in | J6/B | Speaker | J20 |
| Microphone in | J6/C | IDE interface 2 | J21 |
| Game/MIDI port | J7 | System fan power | J22 |
| Parallel port | J8 | IDE interface 1 | J23 |
| Modem connector | J9 | Floppy drive interface | J24 |
| Audio in - CD-ROM | J10 | 16-bit ISA slot | IS1 |
| CPU fan power | J11 | 32-bit PCI slots | PC1 - PC3 |
USER CONFIGURABLE SETTINGS |
|||
Function |
Label |
Position |
|
» |
CMOS memory normal operation | JP1 | Open |
| CMOS memory clear | JP1 | Closed | |
| » | Factory configured - do not alter | JP2 | Unidentified |
DIMM CONFIGURATION |
|||
Size |
Bank 0 |
Bank 1 |
Bank 2 |
8MB |
(1) 1M x 64 |
None |
None |
16MB |
(1) 1M x 64 |
(1) 1M x 64 |
None |
16MB |
(1) 2M x 64 |
None |
None |
24MB |
(1) 1M x 64 |
(1) 1M x 64 |
(1) 1M x 64 |
32MB |
(1) 2M x 64 |
(1) 2M x 64 |
None |
32MB |
(1) 4M x 64 |
None |
None |
32MB |
(1) 2M x 64 |
(1) 1M x 64 |
(1) 1M x 64 |
48MB |
(1) 2M x 64 |
(1) 2M x 64 |
(1) 2M x 64 |
48MB |
(1) 4M x 64 |
(1) 1M x 64 |
(1) 1M x 64 |
64MB |
(1) 4M x 64 |
(1) 4M x 64 |
None |
64MB |
(1) 8M x 64 |
None |
None |
64MB |
(1) 4M x 64 |
(1) 2M x 64 |
(1) 2M x 64 |
80MB |
(1) 8M x 64 |
(1) 1M x 64 |
(1) 1M x 64 |
96MB |
(1) 4M x 64 |
(1) 4M x 64 |
(1) 4M x 64 |
96MB |
(1) 8M x 64 |
(1) 2M x 64 |
(1) 2M x 64 |
128MB |
(1) 8M x 64 |
(1) 8M x 64 |
None |
128MB |
(1) 16M x 64 |
None |
None |
128MB |
(1) 8M x 64 |
(1) 4M x 64 |
(1) 4M x 64 |
144MB |
(1) 16M x 64 |
(1) 1M x 64 |
(1) 1M x 64 |
160MB |
(1) 16M x 64 |
(1) 2M x 64 |
(1) 2M x 64 |
192MB |
(1) 8M x 64 |
(1) 8M x 64 |
(1) 8M x 64 |
192MB |
(1) 16M x 64 |
(1) 4M x 64 |
(1) 4M x 64 |
256MB |
(1) 16M x 64 |
(1) 16M x 64 |
None |
256MB |
(1) 16M x 64 |
(1) 8M x 64 |
(1) 8M x 64 |
384MB |
(1) 16M x 64 |
(1) 16M x 64 |
(1) 16M x 64 |
| Note: Board supports SDRAM memory. | |||
CACHE CONFIGURATION |
| Note: 128KB cache is located on Celeron 300A and greater CPUs. |
CPU SPEED SELECTION |
||||
CPU |
JP3/Pins 1 & 2 |
JP3/Pins 3 & 4 |
JP3/Pins 5 & 6 | JP3/Pins 7 & 8 |
| 300MHz | Open | Closed | Closed | Open |
| 333MHz | Open | Open | Closed | Closed |
| 366MHz | Open | Open | Closed | Open |
| 400MHz | Closed | Closed | Open | Closed |
| 433MHz | Closed | Closed | Open | Open |
| 466MHz | Closed | Open | Open | Closed |
| 500MHz | Closed | Open | Open | Open |