OCEAN INFORMATION SYSTEMS, INC.
RHINO II FX
| Device Type | Mainboard |
| Processor | Pentium II |
| Processor Speed | 200/233/266/300MHz |
| Chip Set | Intel 440FX |
| Maximum Onboard Memory | 256MB (EDO supported) |
| Cache | 256/512KB (located on the Pentuim II CPU) |
| BIOS | Award |
| Dimensions | 305mm x 191mm |
| I/O Options | 32-bit PCI slots (4), 16-bit ISA slots (4), floppy drive interface, green PC connector, IDE interfaces (2), parallel port, PS/2 mouse port, PS/2 keyboard port, serial ports (2), IR connector, USB ports (2), ATX power connector, AT power connector, External battery connector |

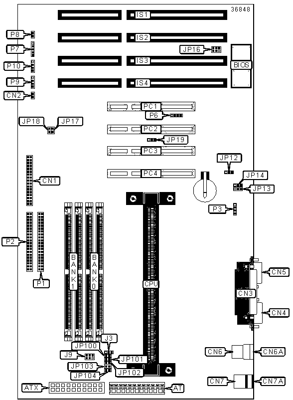
CONNECTIONS |
|||
| Purpose | Location |
Purpose | Location |
| AT power connector | AT | System fan power | J9 |
| ATX power connector | ATX | Unidentified | JP17 |
| Floppy drive interface | CN1 | Green PC connector | JP18 |
| Power switch | CN2 | IDE interface 1 | P1 |
| Parallel port | CN3 | IDE interface 2 | P2 |
| Serial port 1 | CN4 | External battery connector | P3 |
| Serial port 2 | CN5 | IR connector | P6 |
| USB port 1 | CN6 | Power LED & keylock | P7 |
| USB port 2 | CN6A | Reset switch | P8 |
| PS/2 mouse port | CN7 | IDE interface LED | P9 |
| PS/2 keyboard port | CN7A | PC speaker | P10 |
| 16-bit ISA slots | IS1 - IS4 | 32-bit PCI slots | PC1 - PC4 |
| CPU fan power | J3 | ||
USER CONFIGURABLE SETTINGS |
|||
Function |
Label |
Position |
|
|
AT power supply installed | JP12 | Pins 1 & 2 closed |
| ATX power supply installed | JP12 | Pins 2 & 3 closed | |
| » | Real time clock normal operation | JP13 | Pins 1 & 2 closed |
|
Real time clock clear | JP13 |
Pins 2 & 3 closed |
| Internal battery power enabled | JP14 |
Pins 1 & 2 closed |
|
| External battery power enabled | JP14 |
Pins 2 & 3 closed |
|
| » | Flash EEPROM size 1MB | JP16 |
Pins 1 & 2 closed |
| Flash EEPROM size 2MB | JP16 |
Pins 2 & 3 closed |
|
| Normal VGA mode | JP19 |
Pins 1 & 2 closed |
|
| Special VGA mode | JP19 |
Pins 2 & 3 closed | |
SIMM CONFIGURATION |
||
Size |
Bank 0 |
Bank 1 |
8MB |
(2) 1M x 36 |
None |
16MB |
(2) 2M x 36 |
None |
16MB |
(2) 1M x 36 |
(2) 1M x 36 |
24MB |
(2) 2M x 36 |
(2) 1M x 36 |
32MB |
(2) 4M x 36 |
None |
32MB |
(2) 2M x 36 |
(2) 2M x 36 |
40MB |
(2) 4M x 36 |
(2) 1M x 36 |
48MB |
(2) 4M x 36 |
(2) 2M x 36 |
64MB |
(2) 8M x 36 |
None |
64MB |
(2) 4M x 36 |
(2) 4M x 36 |
72MB |
(2) 8M x 36 |
(2) 1M x 36 |
80MB |
(2) 8M x 36 |
(2) 2M x 36 |
96MB |
(2) 8M x 36 |
(2) 4M x 36 |
128MB |
(2) 8M x 36 |
(2) 8M x 36 |
128MB |
(2) 16M x 36 |
None |
136MB |
(2) 16M x 36 |
(2) 1M x 36 |
144MB |
(2) 16M x 36 |
(2) 2M x 36 |
160MB |
(2) 16M x 36 |
(2) 4M x 36 |
192MB |
(2) 16M x 36 |
(2) 8M x 36 |
256MB |
(2) 16M x 36 |
(2) 16M x 36 |
| Note: Board accepts EDO memory. | ||
CACHE CONFIGURATION |
| Note: 256KB/512KB cache is located on the Pentium II CPUs. |
CPU SPEED SELECTION (PENTIUM II) |
|||||||
CPU speed |
Clock speed |
Multiplier |
JP100 |
JP101 | JP102 | JP103 |
JP104 |
200MHz |
66MHz |
3x |
Open | Open | Closed | Open | Open |
233MHz |
66MHz |
3.5x |
Open | Closed | Closed | Open | Open |
266MHz |
66MHz |
4x |
Open | Open | Open | Closed | Open |
300MHz |
66MHz |
4.5x |
Open | Closed | Open | Closed | Open |