COMPAQ COMPUTER CORPORATION
PROSIGNIA 720
| Device Type | Mainboard |
| Processor | Pentium II |
| Processor Speed | 350/400/450/500MHz |
| Chip Set | Unidentified |
| Maximum Onboard Memory | 384MB (SDRAM supported) |
| Cache | 256/512KB (located on the Pentium II CPU) |
| BIOS | Unidentified |
| Dimensions | Unidentified |
| I/O Options (Mainboard) | 32-bit PCI slots (4), floppy drive interface, IDE interfaces (2), parallel port, PS/2 mouse port, serial ports (2), USB ports (2), ATX power connector, AGP slot, |
| I/O Options (Feature Board) | Ultra Wide SCSI interface, Wake-on-LAN connecor, VGA port, RJ-45 connector |

CONNECTIONS |
|||
| Purpose | Location |
Purpose | Location |
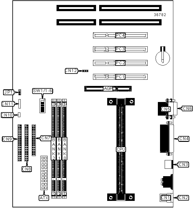
| AGP slot | AGP |
Floppy drive interface | CN7 |
| ATX power connector | ATX |
IDE interface 2 | CN8 |
| USB port 1 | CN1 | IDE interface 1 | CN9 |
| USB port 2 | CN2 | SCSI LED | CN10 |
| PS/2 mouse port | CN3 | Power LED | CN11 |
| Parallel port | CN4 | Wake-on-LAN connector | CN12 |
| Serial port 1 | CN5 | 32-bit PCI slots | PC1 - PC4 |
| Serial port 2 | CN6 | ||
USER CONFIGURABLE SETTINGS |
|||
Function |
Label |
Position |
|
» |
CMOS memory normal operation | JP1 | Pins 1 & 2 Closed |
| CMOS memory clear | JP1 | Pins 2 & 3 Closed | |
| » | Factory configured - do not alter | SW1/1 | Unidentified |
| » | Factory configured - do not alter | SW1/6 | Unidentified |
| DIMM CONFIGURATION | |||
Size |
Bank 0 |
Bank 1 |
Bank 2 |
32MB |
(1) 4M x 64 |
None |
None |
64MB |
(1) 8M x 64 |
None |
None |
64MB |
(1) 4M x 64 |
(1) 4M x 64 |
None |
96MB |
(1) 8M x 64 |
(1) 4M x 64 |
None |
96MB |
(1) 4M x 64 |
(1) 4M x 64 |
(1) 4M x 64 |
128MB |
(1) 16M x 64 |
None |
None |
128MB |
(1) 8M x 64 |
(1) 8M x 64 |
None |
128MB |
(1) 8M x 64 |
(1) 4M x 64 |
(1) 4M x 64 |
160MB |
(1) 16M x 64 |
(1) 4M x 64 |
None |
160MB |
(1) 8M x 64 |
(1) 8M x 64 |
(1) 4M x 64 |
192MB |
(1) 16M x 64 |
(1) 8M x 64 |
None |
192MB |
(1) 16M x 64 |
(1) 4M x 64 |
(1) 4M x 64 |
192MB |
(1) 8M x 64 |
(1) 8M x 64 |
(1) 8M x 64 |
224MB |
(1) 16M x 64 |
(1) 8M x 64 |
(1) 4M x 64 |
256MB |
(1) 16M x 64 |
(1) 16M x 64 |
None |
256MB |
(1) 16M x 64 |
(1) 8M x 64 |
(1) 8M x 64 |
288MB |
(1) 16M x 64 |
(1) 16M x 64 |
(1) 4M x 64 |
320MB |
(1) 16M x 64 |
(1) 16M x 64 |
(1) 8M x 64 |
384MB |
(1) 16M x 64 |
(1) 16M x 64 |
(1) 16M x 64 |
| Note: Board supports SDRAM memroy. | |||
CACHE CONFIGURATION |
| Note: 256KB/512KB cache is located on the Pentium II CPU. |
CPU SPEED SELECTION (INTEL) |
||||||
CPU speed |
Clock speed |
Multiplier |
SW1/2 |
SW1/3 | SW1/4 | SW1/5 |
350MHz |
100MHz |
3.5x |
Off | Off | On | On |
400MHz |
100MHz |
4x |
On | On | Off | On |
450MHz |
100MHz |
4.5x |
On | Off | Off | On |
500MHz |
100MHz |
5x |
Off | On | Off | On |

CONNECTIONS |
|||
| Purpose | Location |
Purpose | Location |
| RJ-45 Unsheilded twisted pair | CN1 | AUX power connector | CN5 |
| VGA port | CN2 | CPU fan power | CN6 |
| SCSI LED connector | CN3 | Ultra Wide SCSI connector | CN7 |
| Wake-on-LAN connector | CN4 | ||
USER CONFIGURABLE SETTINGS |
|||
Function |
Label |
Position |
|
» |
On-board video disabled | SW1/1 | Off |
| On-board video enabled | SW1/1 | On | |
| » | Configuration Lock | SW1/2 | Off |
| Configuration unlock | SW1/2 | On | |
| » | Factory configured - do not alter | SW1/3 | Off |
| » | Factory configured - do not alter | SW1/4 | Off |
| » | Factory configured - do not alter | SW1/5 | Off |
| » | Factory configured - do not alter | SW1/6 | Off |