ELITEGROUP COMPUTER SYSTEMS, INC.
P6EXP-ME
| Device Type | Mainboard |
| Processor | Celeron |
| Processor Speed | 300/333/366/400/433MHz |
| Chip Set | Intel 440EX |
| Audio Chip Set | Elite |
| Maximum Onboard Memory | 256MB (EDO & SDRAM supported) |
| Maximum Audio Memory | Unidentified |
| Cache | 128KB (located on the Celeron CPU) |
| BIOS | Award |
| Dimensions | 244mm x 200mm |
| I/O Options | 32-bit PCI slots (3), AGP slot, floppy drive interface, IDE interfaces (2), parallel port, PS/2 mouse port, serial ports (2), IR connector, USB ports (2), ATX power connector, Wake-on LAN connector, Wake-on modem connector, SB-Link connector, audio in - CD-ROM (2), game/MIDI port, line-out, line-in, microphone-in, SPDIF connector |

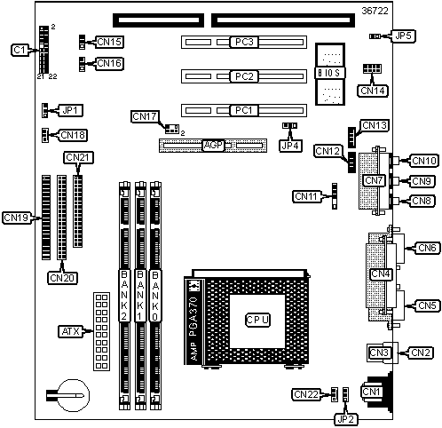
CONNECTIONS |
|||
Purpose |
Location |
Purpose |
Location |
| AGP slot | AGP | Line-out | CN8 |
| ATX power connector | ATX | Line-in | CN9 |
| Speaker | C1/Pins 1, 3, 5 & 7 | Microphone-in | CN10 |
| Power LED | C1/Pins 2, 4, & 6 | IR connector | CN11 |
| Keylock connector | C1/Pins 8 & 10 | Auxiliary audio connector | CN12 |
| Green PC LED | C1/Pins 13 & 14 | Audio in - CD-ROM | CN13 |
| IDE interface LED | C1/Pins 15 & 16 | SPDIF connector | CN14 |
| Reset switch | C1/Pins 17 & 18 | Wake-on-modem connector | CN15 |
| Green PC switch | C1/Pins 19 & 20 | Wake-on-LAN connector | CN16 |
| Power switch | C1/Pins 21 & 22 | SB-Link connector | CN17 |
| PS/2 mouse port | CN1 | System fan power | CN18 |
| USB port 1 | CN2 | IDE interface 1 | CN19 |
| USB port 2 | CN3 | IDE interface 2 | CN20 |
| Parallel port | CN4 | Floppy drive interface | CN21 |
| Serial port 1 | CN5 | CPU fan power | CN22 |
| Serial port 2 | CN6 | 32-bit PCI slots | PC1 - PC3 |
| Game/MIDI port | CN7 | ||
USER CONFIGURABLE SETTINGS |
|||
Function |
Label |
Position |
|
» |
CMOS memory normal operation | JP1 | Pins 1 & 2 closed |
| CMOS memory clear | JP1 | Pins 2 & 3 closed | |
| Keyboard power on disabled | JP2 | Pins 1 & 2 closed | |
|
Keyboard power on enabled | JP2 | Pins 2 & 3 closed |
| Onboard audio enabled | JP4 | Pins 1 & 2 closed | |
| Onboard audio disabled | JP4 | Pins 2 & 3 closed | |
| SPDIF output signal is 5 volts | JP5 | Closed | |
| SPDIF output signal is 0.5 volts | JP5 | Open | |
| DIMM CONFIGURATION | |||
Size |
Bank 0 |
Bank 1 |
Bank 2 |
16MB |
(1) 2M x 64 |
None |
None |
32MB |
(1) 2M x 64 |
(1) 2M x 64 |
None |
48MB |
(1) 2M x 64 |
(1) 2M x 64 |
(1) 2M x 64 |
32MB |
(1) 4M x 64 |
None |
None |
48MB |
(1) 4M x 64 |
(1) 2M x 64 |
None |
64MB |
(1) 4M x 64 |
(1) 2M x 64 |
(1) 2M x 64 |
64MB |
(1) 4M x 64 |
(1) 4M x 64 |
None |
80MB |
(1) 4M x 64 |
(1) 4M x 64 |
(1) 2M x 64 |
96MB |
(1) 4M x 64 |
(1) 4M x 64 |
(1) 4M x 64 |
64MB |
(1) 8M x 64 |
None |
None |
80MB |
(1) 8M x 64 |
(1) 2M x 64 |
None |
96MB |
(1) 8M x 64 |
(1) 2M x 64 |
(1) 2M x 64 |
96MB |
(1) 8M x 64 |
(1) 4M x 64 |
None |
112MB |
(1) 8M x 64 |
(1) 4M x 64 |
(1) 2M x 64 |
128MB |
(1) 8M x 64 |
(1) 4M x 64 |
(1) 4M x 64 |
128MB |
(1) 8M x 64 |
(1) 8M x 64 |
None |
144MB |
(1) 8M x 64 |
(1) 8M x 64 |
(1) 2M x 64 |
160MB |
(1) 8M x 64 |
(1) 8M x 64 |
(1) 4M x 64 |
192MB |
(1) 8M x 64 |
(1) 8M x 64 |
(1) 8M x 64 |
128MB |
(1) 16M x 64 |
None |
None |
144MB |
(1) 16M x 64 |
(1) 2M x 64 |
None |
160MB |
(1) 16M x 64 |
(1) 2M x 64 |
(1) 2M x 64 |
160MB |
(1) 16M x 64 |
(1) 4M x 64 |
None |
176MB |
(1) 16M x 64 |
(1) 4M x 64 |
(1) 2M x 64 |
192MB |
(1) 16M x 64 |
(1) 4M x 64 |
(1) 4M x 64 |
192MB |
(1) 16M x 64 |
(1) 8M x 64 |
None |
208MB |
(1) 16M x 64 |
(1) 8M x 64 |
(1) 2M x 64 |
224MB |
(1) 16M x 64 |
(1) 8M x 64 |
(1) 4M x 64 |
256MB |
(1) 16M x 64 |
(1) 8M x 64 |
(1) 8M x 64 |
256MB |
(1) 16M x 64 |
(1) 16M x 64 |
None |
| Note: Board
supports EDO & SDRAM memory. Note: If a double sided module is used in either Bank 1 or Bank 2, then Bank 0 can not be used. |
|||
CACHE CONFIGURATION |
| Note: 128KB cache is located on the Celeron 300A and greater CPUs. |