DTK COMPUTER, INC.
PRM-89I (VER. 1.01)
| Device Type | Mainboard |
| Processor | Celeron |
| Processor Speed | 300A/333/366/400MHz |
| Chip Set | Intel 440LX |
| Maximum Onboard Memory | 768MB (EDO & SDRAM supported) |
| Cache | 128KB (located on the Celeron CPU) |
| BIOS | Award |
| Dimensions | 305mm x 185MM |
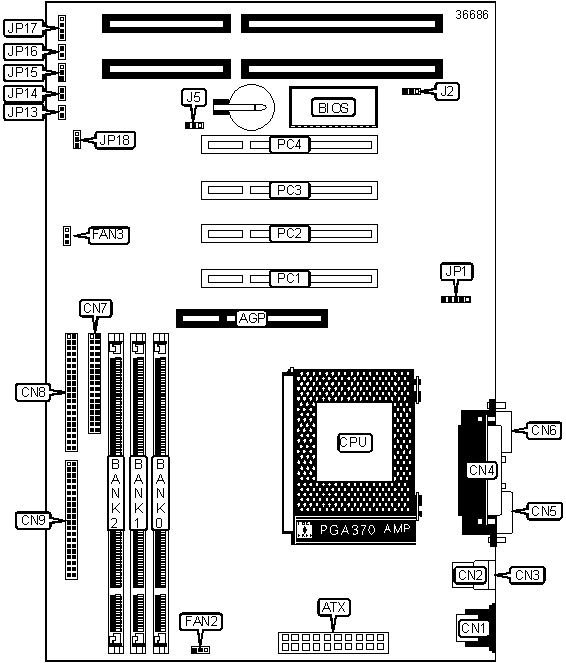
| I/O Options | 32-bit PCI slots (4), floppy drive interface, IDE interfaces (2), parallel port, PS/2 mouse port, serial ports (2), IR connector, USB ports (2), ATX power connector, AGP slot, Wake-on-LAN connector |

CONNECTIONS |
|||
| Purpose | Location |
Purpose | Location |
| AGP slot | AGP | CPU fan power | FAN2 |
| ATX power connector | ATX | System fan power | FAN3 |
| PS/2 mouse port | CN1 | IR connector | JP1 |
| USB port 2 | CN2 | IDE interface LED | JP13 |
| USB port 1 | CN3 | Power switch | JP14 |
| Parallel port | CN4 | Power LED | JP15 |
| Serial port 1 | CN5 | Reset switch | JP16 |
| Serial port 2 | CN6 | PC speaker | JP17 |
| Floppy drive interface | CN7 | Wake-on-LAN connector | JP18 |
| IDE interface 1 | CN8 | 32-bit PCI slots | PC1 - PC4 |
| IDE interface 2 | CN9 | ||
USER CONFIGURABLE SETTINGS |
|||
Function |
Label |
Position |
|
| 5V Flash EPROM enabled | J2 | Pins 1 & 2 closed | |
|
12V Flash EPROM enabled | J2 |
Pins 2 & 3 closed |
» |
CMOS memory normal operation | J5 | Pins 1 & 2 closed |
| CMOS memory clear | J5 | Pins 2 & 3 closed | |
DIMM CONFIGURATION |
|||
Size |
Bank 0 |
Bank 1 |
Bank 2 |
8MB |
(1) 1M x 64 |
None |
None |
16MB |
(1) 1M x 64 |
(1) 1M x 64 |
None |
16MB |
(1) 2M x 64 |
None |
None |
24MB |
(1) 1M x 64 |
(1) 1M x 64 |
(1) 1M x 64 |
32MB |
(1) 2M x 64 |
(1) 2M x 64 |
None |
32MB |
(1) 4M x 64 |
None |
None |
32MB |
(1) 2M x 64 |
(1) 1M x 64 |
(1) 1M x 64 |
48MB |
(1) 2M x 64 |
(1) 2M x 64 |
(1) 2M x 64 |
48MB |
(1) 4M x 64 |
(1) 1M x 64 |
(1) 1M x 64 |
64MB |
(1) 4M x 64 |
(1) 4M x 64 |
None |
64MB |
(1) 8M x 64 |
None |
None |
64MB |
(1) 4M x 64 |
(1) 2M x 64 |
(1) 2M x 64 |
80MB |
(1) 8M x 64 |
(1) 1M x 64 |
(1) 1M x 64 |
96MB |
(1) 4M x 64 |
(1) 4M x 64 |
(1) 4M x 64 |
96MB |
(1) 8M x 64 |
(1) 2M x 64 |
(1) 2M x 64 |
128MB |
(1) 8M x 64 |
(1) 8M x 64 |
None |
128MB |
(1) 16M x 64 |
None |
None |
128MB |
(1) 8M x 64 |
(1) 4M x 64 |
(1) 4M x 64 |
144MB |
(1) 16M x 64 |
(1) 1M x 64 |
(1) 1M x 64 |
160MB |
(1) 16M x 64 |
(1) 2M x 64 |
(1) 2M x 64 |
192MB |
(1) 8M x 64 |
(1) 8M x 64 |
(1) 8M x 64 |
192MB |
(1) 16M x 64 |
(1) 4M x 64 |
(1) 4M x 64 |
256MB |
(1) 16M x 64 |
(1) 16M x 64 |
None |
256MB |
(1) 32M x 64 |
None |
None |
256MB |
(1) 16M x 64 |
(1) 8M x 64 |
(1) 8M x 64 |
272MB |
(1) 32M x 64 |
(1) 1M x 64 |
(1) 1M x 64 |
288MB |
(1) 32M x 64 |
(1) 2M x 64 |
(1) 2M x 64 |
320MB |
(1) 32M x 64 |
(1) 4M x 64 |
(1) 4M x 64 |
384MB |
(1) 16M x 64 |
(1) 16M x 64 |
(1) 16M x 64 |
384MB |
(1) 32M x 64 |
(1) 8M x 64 |
(1) 8M x 64 |
512MB |
(1) 32M x 64 |
(1) 32M x 64 |
None |
512MB |
(1) 32M x 64 |
(1) 16M x 64 |
(1) 16M x 64 |
768MB |
(1) 32M x 64 |
(1) 32M x 64 |
(1) 32M x 64 |
| Note: Board supports EDO & SDRAM memory. | |||
CACHE CONFIGURATION |
| Note: 128KB cache is located on the Celeron 300A and greater CPUs. |