GIGA-BYTE TECHNOLOGY CO., LTD.
GA-6ZM7 (REV. 1.0), GA-6ZM7A (REV. 1.0)
| Device Type | Mainboard |
| Processor | Celeron |
| Processor Speed | 366/400/433/466/500/533MHz |
| Chip Set | Intel 440ZX |
| Audio Chip Set | ESS |
| Maximum Onboard Memory | 256MB (EDO & SDRAM supported) |
| Cache | 0/128KB |
| BIOS | AMI |
| Dimensions | 243mm x 205mm |
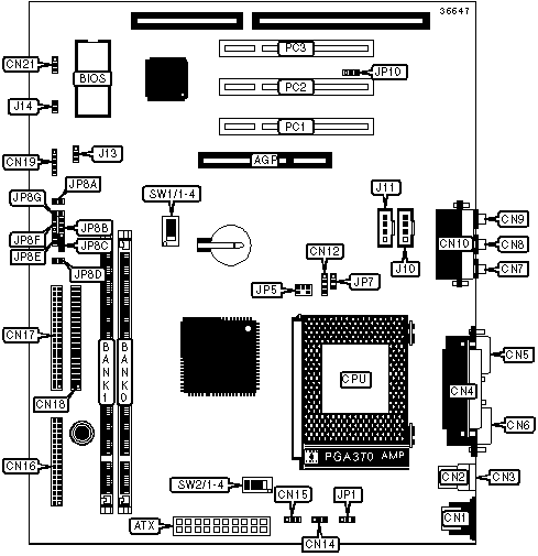
| I/O Options | 32-bit PCI slots (3), floppy drive interface, game/MIDI port, green PC connector, IDE interfaces (2), parallel port, PS/2 mouse port, serial ports (2), IR connector, USB connectors (2), ATX power connector, AGP slot, line in, line out, microphone in, audio in - CD-ROMs (2), SB-link connector, Wake-on-LAN connector, Modem/audio connector, Power-on-ring connector |

CONNECTIONS |
|||
| Purpose | Location |
Purpose | Location |
| AGP slot | AGP | IDE interface 2 | CN18 |
| ATX power connector | ATX | IR connector | CN19 |
| PS/2 mouse port | CN1 | System fan power | CN21 |
| USB connector 1 | CN2 | Audio in - CD-ROM | J10 |
| USB connector 2 | CN3 | Audio in - CD-ROM | J11 |
| Parallel port | CN4 | Power-on-ring connector | J14 |
| Serial port 1 | CN5 | SB-link connector | JP5 |
| Serial port 2 | CN6 | Green PC connector | JP8A |
| Line out | CN7 | PC speaker | JP8B |
| Line in | CN8 | Reset switch | JP8C |
| Microphone in | CN9 | Green PC LED | JP8D |
| Game/MIDI port | CN10 | Power switch | JP8E |
| Modem/audio connector | CN12 | Power LED | JP8F |
| CPU fan power | CN14 | IDE interface LED | JP8G |
| Power fan | CN15 | Wake-on-LAN connector | JP10 |
| Floppy drive interface | CN16 | 32-bit PCI slots | PC1 - PC3 |
| IDE interface 1 | CN17 | ||
USER CONFIGURABLE SETTINGS |
|||
Function |
Label |
Position |
|
| » | CMOS normal operation | J13 | Pins 2 & 3 closed |
|
CMOS clear memory | J13 |
Pins 1 & 2 closed |
| » | Keyboard power-on disabled | JP1 |
Pins 2 & 3 closed |
| Keyboard power-on enabled | JP1 |
Pins 1 & 2 closed |
|
| » | Onboard sound enabled | JP7 |
Pins 1 & 2 closed |
| Onboard sound disabled | JP7 |
Pins 2 & 3 closed |
|
DIMM CONFIGURATION |
||
Size |
Bank 0 |
Bank 1 |
16MB |
(1) 2M x 64 |
None |
32MB |
(1) 2M x 64 |
(1) 2M x 64 |
32MB |
(1) 4M x 64 |
None |
48MB |
(1) 4M x 64 |
(1) 2M x 64 |
64MB |
(1) 4M x 64 |
(1) 4M x 64 |
64MB |
(1) 8M x 64 |
None |
80MB |
(1) 8M x 64 |
(1) 2M x 64 |
96MB |
(1) 8M x 64 |
(1) 4M x 64 |
128MB |
(1) 8M x 64 |
(1) 8M x 64 |
128MB |
(1) 16M x 64 |
None |
144MB |
(1) 16M x 64 |
(1) 2M x 64 |
160MB |
(1) 16M x 64 |
(1) 4M x 64 |
192MB |
(1) 16M x 64 |
(1) 8M x 64 |
256MB |
(1) 16M x 64 |
(1) 16M x 64 |
| Note: Board supports EDO & SDRAM memory. | ||
CACHE CONFIGURATION |
Note: 128KB cache is located on the Celeron 300A & 333 CPU. |
CPU SPEED SELECTION |
||||||
CPU speed |
Clock speed |
Multiplier |
SW1/1 | SW1/2 | SW1/3 | SW1/4 |
366MHz |
66MHz |
5.5x |
Off | Off | Off | On |
400MHz |
66MHz |
6x |
On | On | On | Off |
433MHz |
66MHz |
6.5x |
Off | On | On | Off |
466MHz |
66MHz |
7x |
On | Off | On | Off |
500MHz |
66MHz |
7.5x |
Off | Off | On | Off |
533MHz |
66MHz |
8x |
On | On | Off | Off |
CPU SPEED SELECTION (CONT) |
||||||
CPU speed |
Clock speed |
Multiplier |
SW2/1 | SW2/2 | SW2/3 | SW2/4 |
366MHz |
66MHz |
5.5x |
On | Off | Off | On |
400MHz |
66MHz |
6x |
On | Off | Off | On |
433MHz |
66MHz |
6.5x |
On | Off | Off | On |
466MHz |
66MHz |
7x |
On | Off | Off | On |
500MHz |
66MHz |
7.5x |
On | Off | Off | On |
533MHz |
66MHz |
8x |
On | Off | Off | On |