CHAINTECH COMPUTER COMPANY, LTD.
CT-6LIA
| Device Type | Mainboard |
| Processor | Celeron |
| Processor Speed | 233/266/300/333/366/400/433MHz |
| Chip Set | Intel 440LX |
| Audio Chip Set | ESS |
| Maximum Onboard Memory | 256MB (EDO & SDRAM supported) |
| Maximum Audio Memory | Unidentified |
| Cache | 0/128KB (located on the Celeron CPU) |
| BIOS | Award |
| Dimensions | 244mm x 190mm |
| I/O Options | 32-bit PCI slots (3), floppy drive interface, game port, green PC connector, IDE interfaces (2), parallel port, PS/2 mouse port, serial ports (2), IR connector, USB connectors (2), ATX power connector, AGP slot, line in, line out, microphone in, audio in - CD-ROM, Wake on LAN connector, SB-Link, Modem telephony connector |

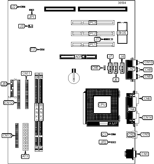
CONNECTIONS |
|||
| Purpose | Location |
Purpose | Location |
| AGP slot | AGP |
Serial port 1 | CN14 |
| ATX power connector | ATX |
IR connector | J1 |
| CPU fan power | C1 | Wake on LAN connector | J2 |
| Chassis fan power | C2 | SB-Link | J3 |
| PS/2 mouse port | CN1 | Audio in - CD-ROM | J4 |
| USB connector 1 | CN2 | Modem telephony connector | J6 |
| USB connector 2 | CN3 | Volume control connector | J7 |
| Parallel port | CN4 | Turbo LED | J8/Pins 1 & 2 |
| Unidentified | CN5 | Green PC connector | J8/Pins 4 & 5 |
| Serial port 2 | CN6 | Green PC LED | J8/Pins 6 & 7 |
| Game port | CN7 | Reset switch | J8/Pins 9 & 10 |
| Line out | CN8 | IDE interface LED | J8/Pins 11 & 12 |
| Line in | CN9 | Over-ride power conector | J8/Pins 13 & 14 |
| Microphone in | CN10 | Speaker | J8/Pins 15-18 |
| IDE interface 2 | CN11 | Power LED & keylock | J8/Pins 20-24 |
| IDE interface 1 | CN12 | 32-bit PCI slots | PC1 - PC3 |
| Floppy drive interface | CN13 | ||
USER CONFIGURABLE SETTINGS |
|||
Function |
Label |
Position |
|
» |
CMOS memory normal operation | JP1 | Pins 1 & 2 Closed |
| CMOS memory clear | JP1 | Pins 2 & 3 Closed | |
| Keyboard power on disabled | JP2 | Pins 1 & 2 Closed | |
|
Keyboard power on enabled | JP2 | Pins 2 & 3 Closed |
| DIMM CONFIGURATION | ||
Size |
Bank 0 |
Bank 1 |
16MB |
(1) 2M x 64 |
None |
32MB |
(1) 2M x 64 |
(1) 2M x 64 |
32MB |
(1) 4M x 64 |
None |
48MB |
(1) 4M x 64 |
(1) 2M x 64 |
64MB |
(1) 4M x 64 |
(1) 4M x 64 |
64MB |
(1) 8M x 64 |
None |
80MB |
(1) 8M x 64 |
(1) 2M x 64 |
96MB |
(1) 8M x 64 |
(1) 4M x 64 |
128MB |
(1) 8M x 64 |
(1) 8M x 64 |
128MB |
(1) 16M x 64 |
None |
144MB |
(1) 16M x 64 |
(1) 2M x 64 |
160MB |
(1) 16M x 64 |
(1) 4M x 64 |
192MB |
(1) 16M x 64 |
(1) 8M x 64 |
256MB |
(1) 16M x 64 |
(1) 16M x 64 |
| Note: Board supports EDO & SDRAM memory. | ||
CACHE CONFIGURATION |
| Note: 128KB cache is located on the Celeron 300 & 333A CPU. |