CHAINTECH COMPUTER COMPANY, LTD.
CT-6SSA2
| Device Type | Mainboard |
| Processor | Pentium II/Celeron |
| Processor Speed | 233/266/300/333/350/400/450MHz |
| Chip Set | SIS |
| Audio Chip Set | ESS |
| Maximum Onboard Memory | 384MB (SDRAM supported) |
| Maximum Audio Memory | Unidentified |
| Cache | 0/128/256/512KB (located on the CPU) |
| BIOS | Award |
| Dimensions | 244mm x 190mm |
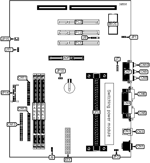
| I/O Options | 32-bit PCI slots (3), floppy drive interface, game port, green PC connector, IDE interfaces (2), parallel port, PS/2 mouse port, serial ports (2), IR connector, USB connectors (2), ATX power connector, AGP slot, line in, line out, microphone in, audio in - CD-ROM, SB-Link connector |

CONNECTIONS |
|||
| Purpose | Location |
Purpose | Location |
| AGP slot | AGP |
IDE interface 2 | CN13 |
| ATX power connector | ATX |
Audio in - CD-ROM | J7 |
| PS/2 mouse port | CN1 | IR connector | J8 |
| USB connector 1 | CN2 | CPU fan power | J9 |
| USB connector 2 | CN3 | Chassis fan power | J11 |
| Parallel port | CN4 | Turbo LED | JP14/Pins 1 & 2 |
| Serial port 1 | CN5 | Green PC connector | JP14/Pins 4 & 5 |
| Serial port 2 | CN6 | Green PC LED | JP14/Pins 6 & 7 |
| Game port | CN7 | Reset switch | JP14/Pins 9 & 10 |
| Line out | CN8 | IDE interface LED | JP14/Pins 11 &12 |
| Line in | CN9 | Over-ride power connector | JP14/Pins 13 & 14 |
| Microphone in | CN10 | Speaker | JP14/Pins 15-18 |
| Floppy drive interface | CN11 | Power LED & keylock | JP4/Pins 20-24 |
| IDE interface 1 | CN12 | 32-bit PCI slots | PC1 - PC3 |
USER CONFIGURABLE SETTINGS |
|||
Function |
Label |
Position |
|
|
On-board audio chip enabled | JP1 | Pins 1 & 2 Closed |
| On-board audio chip disabled | JP1 | Pins 2 & 3 Closed | |
| Keyboard power on enabled | JP3 | Pins 1 & 2 Closed | |
|
Keyboard power on disabled | JP3 | Pins 2 & 3 Closed |
| » | CMOS memory normal operation | JP10 | Pins 1 & 2 Closed |
| CMOS memory clear | JP10 | Pins 2 & 3 Closed | |
DIMM CONFIGURATION |
|||
Size |
Bank 0 |
Bank 1 |
Bank 2 |
16MB |
(1) 2M x 64 |
None |
None |
32MB |
(1) 4M x 64 |
None |
None |
32MB |
(1) 2M x 64 |
(1) 2M x 64 |
None |
48MB |
(1) 4M x 64 |
(1) 2M x 64 |
None |
48MB |
(1) 2M x 64 |
(1) 2M x 64 |
(1) 2M x 64 |
64MB |
(1) 8M x 64 |
None |
None |
64MB |
(1) 4M x 64 |
(1) 4M x 64 |
None |
64MB |
(1) 4M x 64 |
(1) 2M x 64 |
(1) 2M x 64 |
80MB |
(1) 8M x 64 |
(1) 2M x 64 |
None |
80MB |
(1) 4M x 64 |
(1) 4M x 64 |
(1) 2M x 64 |
96MB |
(1) 8M x 64 |
(1) 4M x 64 |
None |
96MB |
(1) 8M x 64 |
(1) 2M x 64 |
(1) 2M x 64 |
96MB |
(1) 4M x 64 |
(1) 4M x 64 |
(1) 4M x 64 |
112MB |
(1) 8M x 64 |
(1) 4M x 64 |
(1) 2M x 64 |
128MB |
(1) 16M x 64 |
None |
None |
128MB |
(1) 8M x 64 |
(1) 8M x 64 |
None |
128MB |
(1) 8M x 64 |
(1) 4M x 64 |
(1) 4M x 64 |
144MB |
(1) 16M x 64 |
(1) 2M x 64 |
None |
160MB |
(1) 16M x 64 |
(1) 4M x 64 |
None |
160MB |
(1) 16M x 64 |
(1) 2M x 64 |
(1) 2M x 64 |
160MB |
(1) 8M x 64 |
(1) 8M x 64 |
(1) 4M x 64 |
176MB |
(1) 16M x 64 |
(1) 4M x 64 |
(1) 2M x 64 |
192MB |
(1) 16M x 64 |
(1) 8M x 64 |
None |
192MB |
(1) 16M x 64 |
(1) 4M x 64 |
(1) 4M x 64 |
192MB |
(1) 8M x 64 |
(1) 8M x 64 |
(1) 8M x 64 |
208MB |
(1) 16M x 64 |
(1) 8M x 64 |
(1) 2M x 64 |
224MB |
(1) 16M x 64 |
(1) 8M x 64 |
(1) 4M x 64 |
256MB |
(1) 16M x 64 |
(1) 16M x 64 |
None |
256MB |
(1) 16M x 64 |
(1) 8M x 64 |
(1) 8M x 64 |
272MB |
(1) 16M x 64 |
(1) 16M x 64 |
(1) 2M x 64 |
288MB |
(1) 16M x 64 |
(1) 16M x 64 |
(1) 4M x 64 |
320MB |
(1) 16M x 64 |
(1) 16M x 64 |
(1) 8M x 64 |
384MB |
(1) 16M x 64 |
(1) 16M x 64 |
(1) 16M x 64 |
| Note: Board supporst SDRAM memory. | |||
CACHE CONFIGURATION |
| Note: 256KB/512KB cache is located on the Pentium II CPU. 128KB cache is located on the Celeron 300 & 333A CPU. |