GIGA-BYTE TECHNOLOGY CO., LTD
GA-6BXE (REV. 2.0)
| Device Type | Mainboard |
| Processor | Pentium II/Pentium III/Celeron |
| Processor Speed | 233/266/300/333/350/366/400/433/450/500/550/600/650MHz |
| Chip Set | Intel 440 BX |
| Maximum Onboard Memory | 1GB (SDRAM supported) |
| Cache | 0/128/256/512KB (located on the CPU) |
| BIOS | Award |
| Dimensions | 305mm x 190mm |
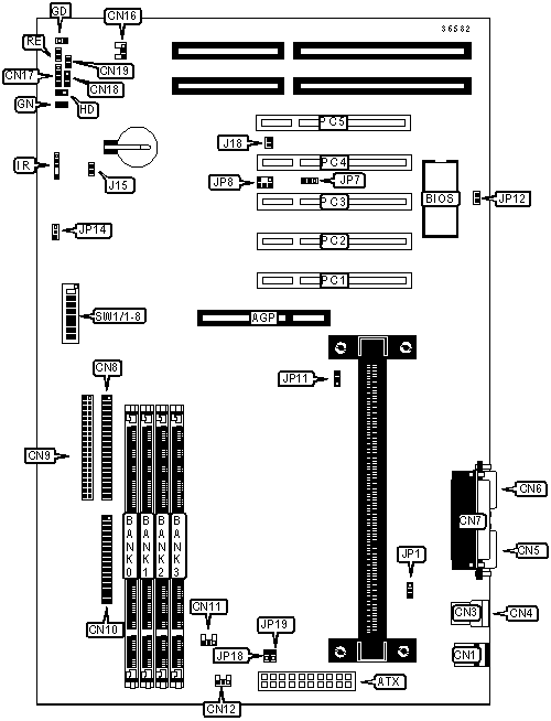
| I/O Options | 32-bit PCI slots (5), floppy drive interface, green PC connector, IDE interfaces (2), parallel port, PS/2 mouse port, serial ports (2), IR connector, USB connectors (2), ATX power connector, AGP slot, SB-Link connector, Wake on LAN connector |

CONNECTIONS |
|||
| Purpose | Location |
Purpose | Location |
| AGP slot | AGP |
Speaker | CN17 |
| ATX power connector | ATX |
Power LED | CN18 |
| PS/2 mouse port | CN1 |
Soft power supply | CN19 |
| USB connector 1 | CN3 |
Green PC LED | GD |
| USB connector 2 | CN4 |
Green PC connector | GN |
| Serial port 2 | CN5 |
IDE interface LED | HD |
| Serial port 1 | CN6 |
IR connector | IR |
| Parallel port | CN7 |
Wake on LAN connector | JP7 |
| IDE interface 1 | CN8 |
SB-Link | JP8 |
| IDE interface 2 | CN9 |
Case Open connector | JP12 |
| Floppy drive interface | CN10 |
Internal modem power connector | J18 |
| Power fan | CN11 |
32-bit PCI slots | PC1 - PC5 |
| CPU fan power | CN12 |
Reset switch | RE |
| Panel fan connector | CN16 |
||
USER CONFIGURABLE SETTINGS |
|||
Function |
Label |
Position |
|
» |
ATX power control select soft off | J15 |
Open |
| ATX power control select soft off/full on | J15 |
Closed |
|
| Keyboard power on enabled | JP1 |
Pins 1 & 2 Closed |
|
» |
Keyboard power on disabled | JP1 |
Pins 2 & 3 Closed |
| » | 100MHz normal operation | JP11 |
Pins 2 & 3 Closed |
| 100MHZ turbo and other frequencies | JP11 |
Pins 1 & 2 Closed |
|
| » | CMOS memory normal operation | JP14 |
Pins 2 & 3 Closed |
| CMOS memory clear | JP14 |
Pins 1 & 2 Closed |
|
DIMM CONFIGURATION |
||||
Size |
Bank 0 |
Bank 1 |
Bank 2 |
Bank 3 |
16MB |
(1) 2M x 64 |
None |
None |
None |
32MB |
(1) 2M x 64 |
(1) 2M x 64 |
None |
None |
48MB |
(1) 4M x 64 |
(1) 2M x 64 |
None |
None |
64MB |
(1) 2M x 64 |
(1) 2M x 64 |
(1) 2M x 64 |
(1) 2M x 64 |
64MB |
(1) 8M x 64 |
None |
None |
None |
64MB |
(1) 4M x 64 |
(1) 4M x 64 |
None |
None |
80MB |
(1) 8M x 64 |
(1) 2M x 64 |
None |
None |
80MB |
(1) 4M x 64 |
(1) 4M x 64 |
(1) 2M x 64 |
None |
80MB |
(1) 4M x 64 |
(1) 2M x 64 |
(1) 2M x 64 |
(1) 2M x 64 |
96MB |
(1) 8M x 64 |
(1) 4M x 64 |
None |
None |
96MB |
(1) 8M x 64 |
(1) 2M x 64 |
(1) 2M x 64 |
None |
96MB |
(1) 4M x 64 |
(1) 4M x 64 |
(1) 4M x 64 |
None |
112MB |
(1) 8M x 64 |
(1) 4M x 64 |
(1) 2M x 64 |
None |
112MB |
(1) 8M x 64 |
(1) 2M x 64 |
(1) 2M x 64 |
(1) 2M x 64 |
112MB |
(1) 4M x 64 |
(1) 4M x 64 |
(1) 4M x 64 |
(1) 2M x 64 |
128MB |
(1) 16M x 64 |
None |
None |
None |
128MB |
(1) 8M x 64 |
(1) 8M x 64 |
None |
None |
128MB |
(1) 8M x 64 |
(1) 4M x 64 |
(1) 4M x 64 |
None |
144MB |
(1) 16M x 64 |
(1) 2M x 64 |
None |
None |
144MB |
(1) 8M x 64 |
(1) 8M x 64 |
(1) 2M x 64 |
None |
144MB |
(1) 8M x 64 |
(1) 4M x 64 |
(1) 4M x 64 |
(1) 2M x 64 |
160MB |
(1) 16M x 64 |
(1) 4M x 64 |
None |
None |
160MB |
(1) 16M x 64 |
(1) 2M x 64 |
(1) 2M x 64 |
None |
160MB |
(1) 8M x 64 |
(1) 8M x 64 |
(1) 4M x 64 |
None |
176MB |
(1) 16M x 64 |
(1) 2M x 64 |
(1) 2M x 64 |
(1) 2M x 64 |
176MB |
(1) 16M x 64 |
(1) 4M x 64 |
(1) 2M x 64 |
None |
176MB |
(1) 8M x 64 |
(1) 8M x 64 |
(1) 4M x 64 |
(1) 2M x 64 |
192MB |
(1) 16M x 64 |
(1) 8M x 64 |
None |
None |
192MB |
(1) 16M x 64 |
(1) 4M x 64 |
(1) 4M x 64 |
None |
192MB |
(1) 8M x 64 |
(1) 8M x 64 |
(1) 8M x 64 |
None |
208MB |
(1) 16M x 64 |
(1) 8M x 64 |
(1) 2M x 64 |
None |
208MB |
(1) 16M x 64 |
(1) 4M x 64 |
(1) 4M x 64 |
(1) 2M x 64 |
208MB |
(1) 8M x 64 |
(1) 8M x 64 |
(1) 8M x 64 |
(1) 2M x 64 |
224MB |
(1) 16M x 64 |
(1) 8M x 64 |
(1) 4M x 64 |
None |
224MB |
(1) 16M x 64 |
(1) 4M x 64 |
(1) 4M x 64 |
(1) 4M x 64 |
224MB |
(1) 8M x 64 |
(1) 8M x 64 |
(1) 8M x 64 |
(1) 4M x 64 |
240MB |
(1) 16M x 64 |
(1) 8M x 64 |
(1) 4M x 64 |
(1) 2M x 64 |
256MB |
(1) 32M x 64 |
None |
None |
None |
256MB |
(1) 16M x 64 |
(1) 16M x 64 |
None |
None |
256MB |
(1) 16M x 64 |
(1) 8M x 64 |
(1) 8M x 64 |
None |
272MB |
(1) 32M x 64 |
(1) 2M x 64 |
None |
None |
272MB |
(1) 16M x 64 |
(1) 16M x 64 |
(1) 2M x 64 |
None |
272MB |
(1) 16M x 64 |
(1) 8M x 64 |
(1) 8M x 64 |
(1) 2M x 64 |
288MB |
(1) 32M x 64 |
(1) 4M x 64 |
None |
None |
288MB |
(1) 16M x 64 |
(1) 16M x 64 |
(1) 4M x 64 |
None |
288MB |
(1) 16M x 64 |
(1) 8M x 64 |
(1) 8M x 64 |
(1) 4M x 64 |
304MB |
(1) 32M x 64 |
(1) 4M x 64 |
(1) 2M x 64 |
None |
304MB |
(1) 32M x 64 |
(1) 2M x 64 |
(1) 2M x 64 |
(1) 2M x 64 |
304MB |
(1) 16M x 64 |
(1) 16M x 64 |
(1) 4M x 64 |
(1) 2M x 64 |
320MB |
(1) 32M x 64 |
(1) 8M x 64 |
None |
None |
320MB |
(1) 16M x 64 |
(1) 16M x 64 |
(1) 8M x 64 |
None |
320MB |
(1) 16M x 64 |
(1) 8M x 64 |
(1) 8M x 64 |
(1) 8M x 64 |
336MB |
(1) 32M x 64 |
(1) 8M x 64 |
(1) 2M x 64 |
None |
336MB |
(1) 32M x 64 |
(1) 4M x 64 |
(1) 4M x 64 |
(1) 2M x 64 |
336MB |
(1) 16M x 64 |
(1) 16M x 64 |
(1) 8M x 64 |
(1) 2M x 64 |
352MB |
(1) 32M x 64 |
(1) 8M x 64 |
(1) 4M x 64 |
None |
352MB |
(1) 32M x 64 |
(1) 4M x 64 |
(1) 4M x 64 |
(1) 4M x 64 |
352MB |
(1) 16M x 64 |
(1) 16M x 64 |
(1) 8M x 64 |
(1) 4M x 64 |
368MB |
(1) 32M x 64 |
(1) 8M x 64 |
(1) 4M x 64 |
(1) 2M x 64 |
384MB |
(1) 32M x 64 |
(1) 16M x 64 |
None |
None |
384MB |
(1) 16M x 64 |
(1) 16M x 64 |
(1) 16M x 64 |
None |
384MB |
(1) 16M x 64 |
(1) 16M x 64 |
(1) 8M x 64 |
(1) 8M x 64 |
400MB |
(1) 32M x 64 |
(1) 16M x 64 |
(1) 2M x 64 |
None |
400MB |
(1) 32M x 64 |
(1) 8M x 64 |
(1) 8M x 64 |
(1) 2M x 64 |
400MB |
(1) 16M x 64 |
(1) 16M x 64 |
(1) 16M x 64 |
(1) 2M x 64 |
416MB |
(1) 32M x 64 |
(1) 16M x 64 |
(1) 4M x 64 |
None |
416MB |
(1) 32M x 64 |
(1) 8M x 64 |
(1) 8M x 64 |
(1) 4M x 64 |
416MB |
(1) 16M x 64 |
(1) 16M x 64 |
(1) 16M x 64 |
(1) 4M x 64 |
432MB |
(1) 32M x 64 |
(1) 16M x 64 |
(1) 4M x 64 |
(1) 2M x 64 |
448MB |
(1) 32M x 64 |
(1) 16M x 64 |
(1) 8M x 64 |
None |
448MB |
(1) 32M x 64 |
(1) 8M x 64 |
(1) 8M x 64 |
(1) 8M x 64 |
448MB |
(1) 16M x 64 |
(1) 16M x 64 |
(1) 16M x 64 |
(1) 8M x 64 |
464MB |
(1) 32M x 64 |
(1) 16M x 64 |
(1) 8M x 64 |
(1) 2M x 64 |
480MB |
(1) 32M x 64 |
(1) 16M x 64 |
(1) 8M x 64 |
(1) 4M x 64 |
512MB |
(1) 32M x 64 |
(1) 32M x 64 |
None |
None |
512MB |
(1) 32M x 64 |
(1) 16M x 64 |
(1) 16M x 64 |
None |
512MB |
(1) 16M x 64 |
(1) 16M x 64 |
(1) 16M x 64 |
(1) 16M x 64 |
528MB |
(1) 32M x 64 |
(1) 32M x 64 |
(1) 2M x 64 |
None |
528MB |
(1) 32M x 64 |
(1) 16M x 64 |
(1) 16M x 64 |
(1) 2M x 64 |
544MB |
(1) 32M x 64 |
(1) 32M x 64 |
(1) 4M x 64 |
None |
544MB |
(1) 32M x 64 |
(1) 32M x 64 |
(1) 2M x 64 |
(1) 2M x 64 |
544MB |
(1) 32M x 64 |
(1) 16M x 64 |
(1) 16M x 64 |
(1) 4M x 64 |
560MB |
(1) 32M x 64 |
(1) 32M x 64 |
(1) 4M x 64 |
(1) 2M x 64 |
576MB |
(1) 32M x 64 |
(1) 32M x 64 |
(1) 8M x 64 |
None |
576MB |
(1) 32M x 64 |
(1) 32M x 64 |
(1) 4M x 64 |
(1) 4M x 64 |
576MB |
(1) 32M x 64 |
(1) 16M x 64 |
(1) 16M x 64 |
(1) 8M x 64 |
592MB |
(1) 32M x 64 |
(1) 32M x 64 |
(1) 8M x 64 |
(1) 2M x 64 |
608MB |
(1) 32M x 64 |
(1) 32M x 64 |
(1) 8M x 64 |
(1) 4M x 64 |
640MB |
(1) 32M x 64 |
(1) 32M x 64 |
(1) 16M x 64 |
None |
640MB |
(1) 32M x 64 |
(1) 32M x 64 |
(1) 8M x 64 |
(1) 8M x 64 |
640MB |
(1) 32M x 64 |
(1) 16M x 64 |
(1) 16M x 64 |
(1) 16M x 64 |
656MB |
(1) 32M x 64 |
(1) 32M x 64 |
(1) 16M x 64 |
(1) 2M x 64 |
672MB |
(1) 32M x 64 |
(1) 32M x 64 |
(1) 16M x 64 |
(1) 4M x 64 |
704MB |
(1) 32M x 64 |
(1) 32M x 64 |
(1) 16M x 64 |
(1) 8M x 64 |
768MB |
(1) 32M x 64 |
(1) 32M x 64 |
(1) 32M x 64 |
None |
768MB |
(1) 32M x 64 |
(1) 32M x 64 |
(1) 16M x 64 |
(1) 16M x 64 |
784MB |
(1) 32M x 64 |
(1) 32M x 64 |
(1) 32M x 64 |
(1) 2M x 64 |
800MB |
(1) 32M x 64 |
(1) 32M x 64 |
(1) 32M x 64 |
(1) 4M x 64 |
836MB |
(1) 32M x 64 |
(1) 32M x 64 |
(1) 32M x 64 |
(1) 8M x 64 |
836MB |
(1) 32M x 64 |
(1) 32M x 64 |
(1) 32M x 64 |
None |
1024MB |
(1) 32M x 64 |
(1) 32M x 64 |
(1) 32M x 64 |
(1) 32M x 64 |
| Note: Board accepts SDRAM memory. | ||||
CACHE CONFIGURATION |
| Note: 256KB/512KB cache is located on the Pentium II/Pentium III CPU. 128KB cache is located on the Celeron 300 & 333A CPU. |
CPU SPEED SELECTION (PENTIUM) |
||||||
CPU speed |
Clock speed |
Multiplier |
SW1/1 |
SW1/2 |
SW1/3 |
SW1/4 |
233MHz |
66MHz |
3.5x |
Off |
Off |
On |
On |
266MHz |
66MHz |
4x |
On |
On |
Off |
On |
300MHz |
66MHz |
4.5x |
Off |
On |
Off |
On |
333MHz |
66MHz |
5x |
On |
Off |
Off |
On |
366MHz |
66MHz |
5.5x |
Off |
Off |
Off |
On |
400MHz |
66MHz |
6x |
On |
On |
On |
Off |
433MHz |
66MHz |
6.5x |
Off |
On |
On |
Off |
350MHz |
100MHz |
3.5x |
Off |
Off |
On |
On |
400MHz |
100MHz |
4x |
On |
On |
Off |
On |
450MHz |
100MHz |
4.5x |
Off |
On |
Off |
On |
500MHz |
100MHz |
5x |
On |
Off |
Off |
On |
550MHz |
100MHz |
5.5x |
Off |
Off |
Off |
On |
600MHz |
100MHz |
6x |
On |
On |
On |
Off |
650MHz |
100MHz |
6.5x |
Off |
On |
On |
Off |
CPU SPEED SELECTION (CONT) |
||||||
CPU speed |
Clock speed |
Multiplier |
SW1/5 |
SW1/6 |
SW1/7 |
SW1/8 |
233MHz |
66MHz |
3.5x |
On |
Off |
Off |
On |
266MHz |
66MHz |
4x |
On |
Off |
Off |
On |
300MHz |
66MHz |
4.5x |
On |
Off |
Off |
On |
333MHz |
66MHz |
5x |
On |
Off |
Off |
On |
366MHz |
66MHz |
5.5x |
On |
Off |
Off |
On |
400MHz |
66MHz |
6x |
On |
Off |
Off |
On |
433MHz |
66MHz |
6.5x |
On |
Off |
Off |
On |
350MHz |
100MHz |
3.5x |
Off |
Off |
Off |
Off |
400MHz |
100MHz |
4x |
Off |
Off |
Off |
Off |
450MHz |
100MHz |
4.5x |
Off |
Off |
Off |
Off |
500MHz |
100MHz |
5x |
Off |
Off |
Off |
Off |
550MHz |
100MHz |
5.5x |
Off |
Off |
Off |
Off |
600MHz |
100MHz |
6x |
Off |
Off |
Off |
Off |
650MHz |
100MHz |
6.5x |
Off |
Off |
Off |
Off |
VOODOO3 VGA SELECT |
|||
Function |
JP18 |
JP19 |
|
» |
Normal operation | Open |
Open |
| Voodoo3 VGA card | Closed |
Closed |
|