J-MARK COMPUTER CORPORATION
J-TX98B
| Device Type | Mainboard |
| Processor | CX 6X86/IBM 6X86/CX 6X86MX/IBM
6X86MX/IDT C6/AM K5/ AM K6/AM K6-2/Pentium/Pentium MMX |
| Processor Speed | 75/90/100/120/133/150/166/180/200/233/266/300/MHz |
| Chip Set | SIS 5598 |
| Video Chip Set | SIS |
| Maximum Onboard Memory | 384MB (EDO & SDRAM supported) |
| Audio Chip Set | Unidentified |
| Cache | 512KB |
| BIOS | Unidentified |
| Dimensions | 305mm x 244mm |
| I/O Options | 32-bit PCI slots (3), floppy drive interface, game interface, green PC connector, IDE interfaces (2), parallel port, PS/2 mouse interface, serial ports (2), VGA interface, IR connector, USB connector, ATX power connector, audio in CD-ROMs (2) |

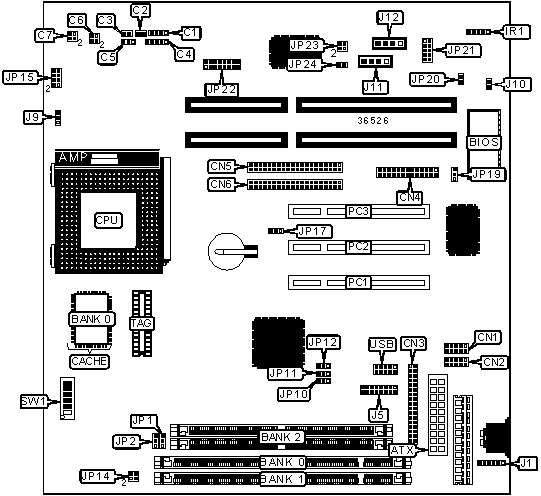
CONNECTIONS |
|||
| Purpose | Location |
Purpose | Location |
| ATX power connector | ATX |
IDE interface 1 | CN6 |
| Speaker | C1 |
IR connector | IR1 |
| Reset switch | C2 |
PS/2 mouse interface | J1 |
| Turbo LED | C3 |
VGA interface | J5 |
| Power LED & keylock | C4 |
CPU fan power | J9 |
| Turbo switch | C5 |
Audio in CD-ROM | J11 |
| IDE interface LED | C6/pins 1 & 3 |
Audio in CD-ROM | J12 |
| Soft off power supply | C7/pins 1 & 3 |
Audio connector | JP21 |
| Serial port 1 | CN1 |
Game interface | JP22 |
| Serial port 2 | CN2 |
Digital audio out | JP23/pins 1 & 2 |
| Floppy drive interface | CN3 |
Digital audio in | JP23/pins 3 & 4 |
| Parallel port | CN4 |
32-bit PCI slots | PC1 PC3 |
| IDE interface 2 | CN5 |
USB connector | USB |
USER CONFIGURABLE SETTINGS |
|||
Function |
Label |
Position |
|
» |
Factory configured - do not alter | J10 |
Unidentified |
» |
Factory configured - do not alter | JP11 |
Unidentified |
» |
Factory configured - do not alter | JP12 |
Unidentified |
» |
CMOS memory normal operation | JP17 |
Pins 1 & 2 closed |
| CMOS memory clear | JP17 |
Pins 2 & 3 closed |
|
| Flash BIOS voltage select 12v | JP19 |
Pins 1 & 2 closed |
|
| Flash BIOS voltage select 5v | JP19 |
Pins 2 & 3 closed |
|
» |
Factory configured - do not alter | JP20 |
Unidentified |
» |
Factory configured - do not alter | JP24 |
Unidentified |
SIMM CONFIGURATION |
|
Size |
Bank 2 |
16MB |
(2) 2M x 36 |
32MB |
(2) 4M x 36 |
64MB |
(2) 8M x 36 |
128MB |
(2) 16M x 36 |
| Note: Board accepts EDO memory. | |
DIMM CONFIGURATION |
||
Size |
Bank 0 |
Bank 1 |
8MB |
(1) 1M x 64 |
None |
16MB |
(1) 2M x 64 |
None |
16MB |
(1) 1M x 64 |
(1) 1M x 64 |
24MB |
(1) 2M x 64 |
(1) 1M x 64 |
32MB |
(1) 4M x 64 |
None |
32MB |
(1) 2M x 64 |
(1) 2M x 64 |
40MB |
(1) 4M x 64 |
(1) 1M x 64 |
48MB |
(1) 4M x 64 |
(1) 2M x 64 |
64MB |
(1) 8M x 64 |
None |
64MB |
(1) 4M x 64 |
(1) 4M x 64 |
72MB |
(1) 8M x 64 |
(1) 1M x 64 |
80MB |
(1) 8M x 64 |
(1) 2M x 64 |
96MB |
(1) 8M x 64 |
(1) 4M x 64 |
128MB |
(1) 16M x 64 |
None |
128MB |
(1) 8M x 64 |
(1) 8M x 64 |
136MB |
(1) 16M x 64 |
(1) 1M x 64 |
144MB |
(1) 16M x 64 |
(1) 2M x 64 |
160MB |
(1) 16M x 64 |
(1) 4M x 64 |
192MB |
(1) 16M x 64 |
(1) 8M x 64 |
256MB |
(1) 16M x 64 |
(1) 16M x 64 |
| Note: Board accepts SDRAM memory. | ||
CACHE CONFIGURATION |
||
Size |
Bank 0 |
TAG |
512KB |
(1) 64K x 64 |
Unidentified |
CPU SPEED SELECTION (CX 6X86) |
||||||||
CPU speed |
Clock speed |
Multiplier |
SW1/1 |
SW1/2 |
SW1/3 |
SW1/4 |
SW1/5 |
SW1/6 |
120MHz |
50MHz |
2x |
On |
On |
On |
On |
Off |
Off |
150MHz |
60MHz |
2x |
On |
Off |
Off |
On |
Off |
Off |
166MHz |
66MHz |
2x |
Off |
Off |
Off |
On |
Off |
Off |
CPU SPEED SELECTION (IBM 6X86) |
||||||||
CPU speed |
Clock speed |
Multiplier |
SW1/1 |
SW1/2 |
SW1/3 |
SW1/4 |
SW1/5 |
SW1/6 |
120MHz |
50MHz |
2x |
On |
On |
On |
On |
Off |
Off |
150MHz |
60MHz |
2x |
On |
Off |
Off |
On |
Off |
Off |
166MHz |
66MHz |
2x |
Off |
Off |
Off |
On |
Off |
Off |
CPU SPEED SELECTION (CX 6X86MX) |
||||||||
CPU speed |
Clock speed |
Multiplier |
SW1/1 |
SW1/2 |
SW1/3 |
SW1/4 |
SW1/5 |
SW1/6 |
166MHz |
60MHz |
2.5x |
On |
Off |
Off |
On |
On |
Off |
166MHz |
66MHz |
2.5x |
Off |
Off |
Off |
On |
On |
Off |
200MHz |
66MHz |
3x |
Off |
Off |
Off |
Off |
On |
Off |
CPU SPEED SELECTION (IBM 6X86MX) |
||||||||
CPU speed |
Clock speed |
Multiplier |
SW1/1 |
SW1/2 |
SW1/3 |
SW1/4 |
SW1/5 |
SW1/6 |
166MHz |
60MHz |
2.5x |
On |
Off |
Off |
On |
On |
Off |
CPU SPEED SELECTION (IDT C6) |
||||||||
CPU speed |
Clock speed |
Multiplier |
SW1/1 |
SW1/2 |
SW1/3 |
SW1/4 |
SW1/5 |
SW1/6 |
150MHz |
50MHz |
3x |
On |
On |
On |
Off |
On |
Off |
180MHz |
60MHz |
3x |
On |
Off |
Off |
Off |
On |
Off |
200MHz |
66MHz |
3x |
Off |
Off |
Off |
Off |
On |
Off |
CPU SPEED SELECTION (AM K5) |
||||||||
CPU speed |
Clock speed |
Multiplier |
SW1/1 |
SW1/2 |
SW1/3 |
SW1/4 |
SW1/5 |
SW1/6 |
75MHz |
50MHz |
1.5x |
On |
On |
On |
Off |
Off |
Off |
90MHz |
60MHz |
1.5x |
On |
Off |
Off |
Off |
Off |
Off |
100MHz |
66MHz |
1.5x |
Off |
Off |
Off |
Off |
Off |
Off |
166MHz |
66MHz |
2.5x |
Off |
Off |
Off |
On |
On |
Off |
CPU SPEED SELECTION (AM K6) |
||||||||
CPU speed |
Clock speed |
Multiplier |
SW1/1 |
SW1/2 |
SW1/3 |
SW1/4 |
SW1/5 |
SW1/6 |
133MHz |
66MHz |
1.5x |
Off |
Off |
Off |
Off |
Off |
Off |
166MHz |
66MHz |
2.5x |
Off |
Off |
Off |
On |
On |
Off |
200MHz |
66MHz |
3x |
Off |
Off |
Off |
Off |
On |
Off |
233MHz |
66MHz |
3.5x |
Off |
Off |
Off |
Off |
Off |
Off |
266MHz |
66MHz |
4x |
Off |
Off |
Off |
On |
Off |
On |
300MHz |
66MHz |
4.5x |
Off |
Off |
Off |
On |
On |
On |
CPU SPEED SELECTION (AM K6-2) |
||||||||
CPU speed |
Clock speed |
Multiplier |
SW1/1 |
SW1/2 |
SW1/3 |
SW1/4 |
SW1/5 |
SW1/6 |
266MHz |
66MHz |
4x |
Off |
Off |
Off |
On |
Off |
On |
CPU SPEED SELECTION (INTEL) |
||||||||
CPU speed |
Clock speed |
Multiplier |
SW1/1 |
SW1/2 |
SW1/3 |
SW1/4 |
SW1/5 |
SW1/6 |
75MHz |
50MHz |
1.5x |
On |
On |
On |
Off |
Off |
Off |
90MHz |
60MHz |
1.5x |
On |
Off |
Off |
Off |
Off |
Off |
100MHz |
66MHz |
1.5x |
Off |
Off |
Off |
Off |
Off |
Off |
120MHz |
60MHz |
2x |
On |
Off |
Off |
On |
Off |
Off |
133MHz |
66MHz |
2x |
Off |
Off |
Off |
On |
Off |
Off |
150MHz |
60MHz |
2.5x |
On |
Off |
Off |
On |
On |
Off |
166MHz |
66MHz |
2.5x |
Off |
Off |
Off |
On |
On |
Off |
200MHz |
66MHz |
3x |
Off |
Off |
Off |
Off |
On |
Off |
CPU SPEED SELECTION (INTEL MMX) |
||||||||
CPU speed |
Clock speed |
Multiplier |
SW1/1 |
SW1/2 |
SW1/3 |
SW1/4 |
SW1/5 |
SW1/6 |
166MHz |
66MHz |
2.5x |
Off |
Off |
Off |
On |
On |
Off |
200MHz |
66MHz |
3x |
Off |
Off |
Off |
Off |
On |
Off |
233MHz |
66MHz |
3.5x |
Off |
Off |
Off |
Off |
Off |
Off |
CPU VOLTAGE SELECTION |
||||
Voltage |
JP15/pins 1 & 2 |
JP15/pins 3 & 4 |
JP15/pins 5 & 6 |
JP15/pins 7 & 8 |
2.2v |
Open |
Closed |
Open |
Open |
2.8v |
Open |
Open |
Open |
Closed |
2.9v |
Closed |
Open |
Open |
Closed |
3.2v |
Open |
Open |
Closed |
Closed |
3.45v |
Open |
Closed |
Closed |
Closed |
3.52v |
Closed |
Closed |
Closed |
Closed |
ON BOARD VIDEO SELECTION |
|||
Setting |
JP1 |
JP2 |
JP10 |
Enabled |
Pins 1 & 2 closed |
Pins 1 & 2 closed |
Pins 2 & 3 closed |
Disabled |
Pins 2 & 3 closed |
Pins 2 & 3 closed |
Pins 1 & 2 closed |