IWILL CORPORATION
DGL200
|
Device Type |
Mainboard |
|
Processor |
Pentium II |
|
Processor Speed |
400/450/500/550MHz |
|
Chip Set |
Intel 440GX |
|
Maximum Onboard Memory |
2GB (EDO & SDRAM supported) |
|
Cache |
256/512KB (located on Pentium II CPU) |
|
BIOS |
Unidentified |
|
Dimensions |
305mm x 244mm |
|
I/O Options |
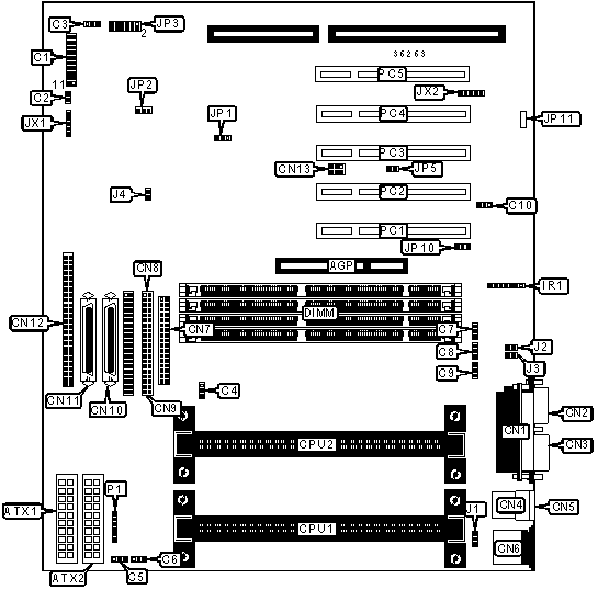
32-bit PCI slots (5), floppy drive interface, IDE interfaces (2), SCSI interface, SCSI-2 interfaces (2), parallel port, PS/2 mouse port, serial ports (2), IR connector, USB connectors (2), ATX power connectors (2), AGP slot, SB-link connector, wake on LAN connector |

|
CONNECTIONS |
|||
|
Purpose |
Location |
Purpose |
Location |
|
AGP slot |
AGP |
Serial port 2 |
CN2 |
|
ATX power connector |
ATX1 |
Serial port 1 |
CN3 |
|
ATX power connector |
ATX2 |
USB connector 1 |
CN4 |
|
ACPI LED |
C1/pins 1 - 4 |
USB connector 2 |
CN5 |
|
ALED |
C1/pins 5 & 6 |
PS/2 mouse port |
CN6 |
|
SLED |
C1/pins 7 & 8 |
Floppy drive interface |
CN7 |
|
Reset switch |
C1/pins 9 & 10 |
IDE interface 2 |
CN8 |
|
Power LED & keylock |
C1/pins 11 - 15 |
IDE interface 1 |
CN9 |
|
Speaker |
C1/pins 17 - 20 |
SCSI-2 interface |
CN10 |
|
Soft off power supply |
C2 |
SCSI-2 interface |
CN11 |
|
Chassis fan power |
C3 |
SCSI interface |
CN12 |
|
Chassis fan power |
C4 |
SB-link connector |
CN13 |
|
Chassis fan power |
C5 |
IR connector |
IR1 |
|
Chassis fan power |
C6 |
Temperature sensor |
J2 |
|
Chassis fan power |
C7 |
Temperature sensor |
J3 |
|
Chassis fan power |
C8 |
Temperature sensor |
J4 |
|
Chassis fan power |
C9 |
3.3v auxiliary power |
P1 |
|
Wake on modem connector |
C10 |
32-bit PCI slots |
PC1 - PC5 |
|
Parallel port |
CN1 |
|
|
|
USER CONFIGURABLE SETTINGS |
|||
|
Function |
Label |
Position |
|
|
|
Keyboard power on disabled |
J1 |
Pins 1 & 2 closed |
|
|
Keyboard power on enabled |
J1 |
Pins 2 & 3 closed |
|
» |
CMOS memory normal operation |
JP1 |
Pins 1 & 2 closed |
|
|
CMOS memory clear |
JP1 |
Pins 2 & 3 closed |
|
|
On board SCSI enabled |
JP2 |
Pins 1 & 2 closed |
|
|
On board SCSI disabled |
JP2 |
Pins 2 & 3 closed |
|
» |
Factory configured - do not alter |
JP5 |
Unidentified |
|
» |
Factory configured - do not alter |
JP10 |
Unidentified |
|
» |
Factory configured - do not alter |
JP11 |
Unidentified |
|
» |
Factory configured - do not alter |
JX1 |
Unidentified |
|
» |
Factory configured - do not alter |
JX2 |
Unidentified |
|
DIMM CONFIGURATION |
||||
|
Size |
Bank 0 |
Bank 1 |
Bank 2 |
Bank 3 |
|
8MB |
(1) 1M x 64 |
None |
None |
None |
|
16MB |
(1) 2M x 64 |
None |
None |
None |
|
16MB |
(1) 1M x 64 |
(1) 1M x 64 |
None |
None |
|
24MB |
(1) 2M x 64 |
(1) 1M x 64 |
None |
None |
|
24MB |
(1) 1M x 64 |
(1) 1M x 64 |
(1) 1M x 64 |
None |
|
32MB |
(1) 4M x 64 |
None |
None |
None |
|
DIMM CONFIGURATION (CON'T) |
||||
|
Size |
Bank 0 |
Bank 1 |
Bank 2 |
Bank 3 |
|
32MB |
(1) 2M x 64 |
(1) 2M x 64 |
None |
None |
|
32MB |
(1) 1M x 64 |
(1) 1M x 64 |
(1) 1M x 64 |
(1) 1M x 64 |
|
40MB |
(1) 4M x 64 |
(1) 1M x 64 |
None |
None |
|
48MB |
(1) 4M x 64 |
(1) 2M x 64 |
None |
None |
|
48MB |
(1) 2M x 64 |
(1) 2M x 64 |
(1) 2M x 64 |
None |
|
64MB |
(1) 2M x 64 |
(1) 2M x 64 |
(1) 2M x 64 |
(1) 2M x 64 |
|
64MB |
(1) 8M x 64 |
None |
None |
None |
|
64MB |
(1) 4M x 64 |
(1) 4M x 64 |
None |
None |
|
72MB |
(1) 8M x 64 |
(1) 1M x 64 |
None |
None |
|
80MB |
(1) 8M x 64 |
(1) 2M x 64 |
None |
None |
|
96MB |
(1) 8M x 64 |
(1) 4M x 64 |
None |
None |
|
96MB |
(1) 4M x 64 |
(1) 4M x 64 |
(1) 4M x 64 |
None |
|
128MB |
(1) 16M x 64 |
None |
None |
None |
|
128MB |
(1) 8M x 64 |
(1) 8M x 64 |
None |
None |
|
128MB |
(1) 4M x 64 |
(1) 4M x 64 |
(1) 4M x 64 |
(1) 4M x 64 |
|
136MB |
(1) 16M x 64 |
(1) 1M x 64 |
None |
None |
|
144MB |
(1) 16M x 64 |
(1) 2M x 64 |
None |
None |
|
176MB |
(1) 16M x 64 |
(1) 2M x 64 |
(1) 2M x 64 |
(1) 2M x 64 |
|
192MB |
(1) 16M x 64 |
(1) 8M x 64 |
None |
None |
|
192MB |
(1) 8M x 64 |
(1) 8M x 64 |
(1) 8M x 64 |
None |
|
256MB |
(1) 32M x 64 |
None |
None |
None |
|
256MB |
(1) 16M x 64 |
(1) 16M x 64 |
None |
None |
|
256MB |
(1) 8M x 64 |
(1) 8M x 64 |
(1) 8M x 64 |
(1) 8M x 64 |
|
272MB |
(1) 16M x 64 |
(1) 16M x 64 |
(1) 1M x 64 |
(1) 1M x 64 |
|
280MB |
(1) 32M x 64 |
(1) 1M x 64 |
(1) 1M x 64 |
(1) 1M x 64 |
|
288MB |
(1) 16M x 64 |
(1) 16M x 64 |
(1) 2M x 64 |
(1) 2M x 64 |
|
320MB |
(1) 16M x 64 |
(1) 16M x 64 |
(1) 4M x 64 |
(1) 4M x 64 |
|
384MB |
(1) 16M x 64 |
(1) 16M x 64 |
(1) 16M x 64 |
None |
|
448MB |
(1) 32M x 64 |
(1) 8M x 64 |
(1) 8M x 64 |
(1) 8M x 64 |
|
512MB |
(1) 32M x 64 |
(1) 32M x 64 |
None |
None |
|
512MB |
(1) 16M x 64 |
(1) 16M x 64 |
(1) 16M x 64 |
(1) 16M x 64 |
|
512MB |
(1) 64M x 64 |
None |
None |
None |
|
640MB |
(1) 32M x 64 |
(1) 16M x 64 |
(1) 16M x 64 |
(1) 16M x 64 |
|
768MB |
(1) 32M x 64 |
(1) 32M x 64 |
(1) 32M x 64 |
None |
|
1024MB |
(1) 32M x 64 |
(1) 32M x 64 |
(1) 32M x 64 |
(1) 32M x 64 |
|
1024MB |
(1) 64M x 64 |
(1) 64M x 64 |
None |
None |
|
1536MB |
(1) 64M x 64 |
(1) 64M x 64 |
(1) 64M x 64 |
None |
|
2048MB |
(1) 64M x 64 |
(1) 64M x 64 |
(1) 64M x 64 |
(1) 64M x 64 |
|
Note: Board accepts EDO & SDRAM memory. |
||||
|
CACHE CONFIGURATION |
|
Note: 256KB/512KB cache is located on the Pentium II CPU. |
|
CPU SPEED SELECTION |
|||
|
CPU speed |
Clock speed |
Multiplier |
JP3 |
|
400MHz |
100MHz |
4x |
Pins 1 & 2 closed |
|
450MHz |
100MHz |
4.5x |
Pins 3 & 4 closed |
|
500MHz |
100MHz |
5x |
Pins 5 & 6 closed |
|
550MHz |
100MHz |
5.5x |
Pins 7 & 8 closed |