FIRST INTERNATIONAL COMPUTER, INC.
KA-6130
|
Device Type |
Mainboard |
|
Processor |
Pentium II/Celeron |
|
Processor Speed |
233/266/300/333/350/400/450/500MHz |
|
Chip Set |
VIA |
|
Maximum Onboard Memory |
512MB (EDO & SDRAM supported) |
|
Cache |
0/128/256/512KB (located on the CPU) |
|
BvIOS |
Unidentified |
|
Dimensions |
305mm x 244mm |
|
I/O Options |
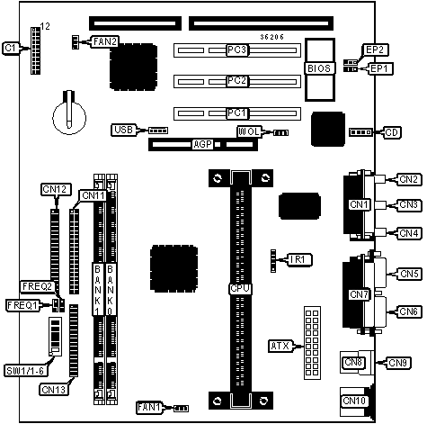
32-bit PCI slots (3), CD-ROM audio in, floppy drive interface, game port, green PC connector, IDE interfaces (2), parallel port, PS/2 mouse port, serial ports (2), VGA port, IR connector, USB connectors (2), ATX power connector, microphone connector, line in out, line in, AGP slot |
|
NPU Options |
None |

|
CONNECTIONS |
|||
|
Purpose |
Location |
Purpose |
Location |
|
AGP port |
AGP |
Power LED & keylock |
C1/pins 1 - 5 |
|
ATX power connector |
ATX |
Turbo LED |
C1/pins 6 & 7 |
|
VGA port |
CN1 |
Green PC connector |
C1/pins 8 & 9 |
|
Microphone in connector |
CN2 |
Green PC LED |
C1/pins 10 & 11 |
|
Line in connector |
CN3 |
Speaker |
C1/pins 12 - 15 |
|
Line out connector |
CN4 |
IDE interface LED |
C1/pins 16 & 17 |
|
Serial port 2 |
CN5 |
Soft off power supply |
C1/pins 18 & 19 |
|
Serial port 1 |
CN6 |
Reset switch |
C1/pins 20 & 21 |
|
Parellel port |
CN7 |
Audio in -CD ROM |
CD |
|
USB connector 1 |
CN8 |
CPU fan power |
FAN1 |
|
USB connector 2 |
CN9 |
Chassis fan power |
FAN2 |
|
PS/2 mouse port |
CN10 |
IR connector |
IR1 |
|
IDE interface 2 |
CN11 |
32-bit PCI slots |
PC1 - PC3 |
|
IDE interface 1 |
CN12 |
FUSB connector |
USB |
|
Floppy drive interface |
CN13 |
Wake on LAN connector |
WOL |
|
USER CONFIGURABLE SETTINGS |
|||
|
Function |
Label |
Position |
|
|
» |
CMOS memory normal operation |
SW1/5 |
Off |
|
|
CMOS memory clear |
SW1/5 |
On |
|
» |
Password disabled |
SW1/6 |
Off |
|
|
Password enabled |
SW1/6 |
On |
|
DIMM CONFIGURATION |
||
|
Size |
Bank 0 |
Bank 1 |
|
8MB |
(1) 1M x 64 |
None |
|
16MB |
(1) 2M x 64 |
None |
|
16MB |
(1) 1M x 64 |
(2) 1M x 64 |
|
24MB |
(1) 2M x 64 |
(2) 1M x 64 |
|
32MB |
(1) 4M x 64 |
None |
|
32MB |
(1) 2M x 64 |
(2) 2M x 64 |
|
40MB |
(1) 4M x 64 |
(2) 1M x 64 |
|
48MB |
(1) 4M x 64 |
(2) 2M x 64 |
|
64MB |
(1) 8M x 64 |
None |
|
64MB |
(1) 4M x 64 |
(2) 4M x 64 |
|
72MB |
(1) 8M x 64 |
(2) 1M x 64 |
|
80MB |
(1) 8M x 64 |
(2) 2M x 64 |
|
96MB |
(1) 8M x 64 |
(2) 4M x 64 |
|
128MB |
(1) 8M x 64 |
(2) 8M x 64 |
|
128MB |
(1) 16M x 64 |
None |
|
164MB |
(1) 16M x 64 |
(2) 1M x 64 |
|
144MB |
(1) 16M x 64 |
(2) 2M x 64 |
|
160MB |
(1) 16M x 64 |
(2) 4M x 64 |
|
192MB |
(1) 16M x 64 |
(2) 8M x 64 |
|
DIMM CONFIGURATION (CON'T) |
||
|
Size |
Bank 0 |
Bank 1 |
|
256MB |
(1) 16M x 64 |
(2) 16M x 64 |
|
256MB |
(1) 32M x 64 |
None |
|
264MB |
(1) 32M x 64 |
(2) 1M x 64 |
|
272MB |
(1) 32M x 64 |
(2) 2M x 64 |
|
288MB |
(1) 32M x 64 |
(2) 4M x 64 |
|
320MB |
(1) 32M x 64 |
(2) 8M x 64 |
|
384MB |
(1) 32M x 64 |
(2) 16M x 64 |
|
512MB |
(1) 32M x 64 |
(2) 32M x 64 |
|
Note: Board accepts EDO & SDRAM memory. Maximum SDRAM is 256MB. Maximum EDO is 512MB. |
||
|
CACHE CONFIGURATION |
|
Note: 256KB/512KB cache is located on the Pentium II CPU. 128KB cache is located on the Celeron 300A & 333 CPU. |
|
BUS FREQUENCY SELECTION |
||||
|
External CPU speed |
DIMM speed |
FREQ1 |
FREQ2 |
|
|
» |
66MHz |
Non - 100MHz |
Pins 1 & 2 closed |
Pins 2 & 3 closed |
|
|
100MHz |
100MHz |
Pins 2 & 3 closed |
Pins 2 & 3 closed |
|
|
100MHz |
Non - 100MHz |
Pins 2 & 3 closed |
Pins 1 & 2 closed |
|
CPU SPEED SELECTION |
||||||
|
CPU speed |
Clock speed |
Multiplier |
SW1/1 |
SW1/2 |
SW1/3 |
SW1/4 |
|
233MHz |
66MHz |
3.5x |
On |
Off |
On |
Off |
|
266MHz |
66MHz |
4x |
On |
On |
Off |
On |
|
300MHz |
66MHz |
4.5x |
On |
On |
Off |
Off |
|
333MHz |
66MHz |
5x |
On |
Off |
Off |
On |
|
350MHz |
100MHz |
3.5x |
On |
Off |
On |
Off |
|
400MHz |
100MHz |
4x |
On |
On |
Off |
On |
|
450MHz |
100Mhz |
4.5x |
On |
On |
Off |
Off |
|
500MHz |
66MHz |
5x |
On |
Off |
Off |
On |
|
FLASH BIOS SELECTION |
||
|
Type |
EP1 |
EP2 |
|
AMD AM29F002T |
Pins 2 & 3 closed |
Pins 2 & 3 closed |
|
ATMEL AT29C010A |
Pins 2 & 3 closed |
Open |
|
ATMEL AT29C020 |
Pins 2 & 3 closed |
Pins 2 & 3 closed |
|
Intel 28F001 |
Pins 1 & 2 closed |
Pins 1 & 2 closed |
|
MXIC MX28F1000 |
Pins 1 & 2 closed |
Pins 1 & 2 closed |
|
MXIC MX28F2000P |
Pins 1 & 2 closed |
Pins 2 & 3 closed |
|
SST 29EE010 |
Pins 2 & 3 closed |
Open |
|
SST 29EE020 |
Pins 2 & 3 closed |
Pins 2 & 3 closed |